Dimonos Опубликовано 20 Февраля, 2012 в 23:42 Автор Жалоба Поделиться Опубликовано 20 Февраля, 2012 в 23:42 Дмитрий, я с Вами... Добро пожаловать, я лично никуда не спешу, у меня самого довольно медленно... Я понимаю, все это не быстро. Одна только подготовка к измерению стоит прилично труда... Смысл создания этой темы-объединить начинающих "меряльщиков" и помочь друг другу. Основываясь на опыте более опытных "меряльщиков". Получить от результатов пользу. Измерения ради измерений не мой профиль, да и Ваш, думаю тоже. Совсем профессионалам не до нас , поверьте. Ссылка на комментарий Поделиться на другие сайты Поделиться
Гость mobidick Опубликовано 22 Февраля, 2012 в 11:36 Жалоба Поделиться Опубликовано 22 Февраля, 2012 в 11:36 В Ваших акустических измерениях как были размещены динамики? (на подвесе, вертикально или как то по другому). Ссылка на комментарий Поделиться на другие сайты Поделиться
Гость ruberoidd Опубликовано 22 Февраля, 2012 в 17:42 Жалоба Поделиться Опубликовано 22 Февраля, 2012 в 17:42 (изменено) Дмитрий, Привет! Привет и всем остальным участникам форума. Задели очень интересную и полезную тему. Когда то я пробовал измерять АЧХ диинамиков и АС, но измерения нельзя назвать правильными, по причине использования фигового предусилителя для микрофона (кетайский электрет). Как результат получил страшенные фазовые и частотные искажения.Так что попрошу, выложите пожалуйста схему микрофонного уся, который у Вас исправно работает, соберу посмотрю, а там тоже "в теме" буду.. Изменено 22 Февраля, 2012 в 17:42 пользователем ruberoidd Ссылка на комментарий Поделиться на другие сайты Поделиться
Dimonos Опубликовано 22 Февраля, 2012 в 19:59 Автор Жалоба Поделиться Опубликовано 22 Февраля, 2012 в 19:59 (изменено) В Ваших акустических измерениях как были размещены динамики? (на подвесе, вертикально или как то по другому). На стойке от фотолампы, ось диффузора горизонтально. Добавлено после раздумий: Дмитрий, Привет! Привет и всем остальным участникам форума. Задели очень интересную и полезную тему. Когда то я пробовал измерять АЧХ диинамиков и АС, но измерения нельзя назвать правильными, по причине использования фигового предусилителя для микрофона (кетайский электрет). Как результат получил страшенные фазовые и частотные искажения.Так что попрошу, выложите пожалуйста схему микрофонного уся, который у Вас исправно работает, соберу посмотрю, а там тоже "в теме" буду.. Привет Андрей! А я знаю исправно ли мой работает??? Это вопрос. Схема запорошена пылью, из какого то журнала радио. На транзисторах. Заработала сразу, я и оставил . Поищу . Сейчас есть намного лучшие схемы ИМХО. . Изменено 22 Февраля, 2012 в 20:47 пользователем dimonos Ссылка на комментарий Поделиться на другие сайты Поделиться
Гость victors Опубликовано 23 Февраля, 2012 в 10:46 Жалоба Поделиться Опубликовано 23 Февраля, 2012 в 10:46 Электретный микрофон – истоковый повторитель. Всем привет, Думая о хорошем микрофонном усилителе, предлагаю обратить внимание на схему, находящуюся внутри электретного микрофона. Там конденсатор, подключённый к затвору полевого транзистора и корпусу микрофона и сам ПТ, у которого затвор – к конденсатору микрофона, исток – на корпус и сток – на отдельный контакт. Туда, на сток, мы подаём питание и снимаем сигнал. Если посмотреть на контакты электретного микрофона, очень просто понять – куда питание, а куда «землю» - этот контакт (исток ПТ), соединён дорожкой фольги с корпусом микрофона. Так ПТ включён для максимального усиления сигнала, снимаемого со стоковой нагрузки. Но при этом и нелинейность усиливаемого сигнала наибольшая (сток замкнут на землю, без местной ООС). С учётом того, что мы собираемся использовать за микрофоном, достаточно качественный усилитель, можно уменьшить искажения, вносимые микрофонным капсюлем, включив находящийся в нём ПТ по схеме истокового повторителя, со всеми преимуществами такового при работе с высокоомным, ёмкостным источником сигнала (конденсаторный микрофон). Для включения ПТ в составе электретного микрофона, в качестве истокоаого повторителя, достаточно разрезать дорожку, соединяющую одну из контактных площадок и корпус микрофона, запаяв вместо этой перемычки, резистор 5 – 10КОм (я использовал 10 КОм). Теперь, как и раньше, питание на микрофон мы подаём через «плюсовой» контакт, корпус заземляем – это «масса», а сигнал снимаем в «горячего» вывода истокового резистора. Корпус электретного микрофона – алюминиевый – паяется плохо. Можно паять под вазелином: намазать место пайки вазелином, густо, ножом, сквозь вазелин, чтобы воздух не поступал, зачистить место пайки от окисной плёнки, дальше лудить, «втирая» припой в алюминий. Однако, если есть возможность закрепить «массу» механически, с помощью, например, металлического хомута – лучше сделать так – меньше риска микрофон перегреть. Ссылка на комментарий Поделиться на другие сайты Поделиться
Dimonos Опубликовано 23 Февраля, 2012 в 18:46 Автор Жалоба Поделиться Опубликовано 23 Февраля, 2012 в 18:46 (изменено) Виктор, а нарисуйте схему. Вам не трудно? А то голова кругом, пока во что то въедешь, надо 10 раз перечитать. Плииз. Добавлено после раздумий: Андрей(ruberoidd), схема того микрофонного усилителя, что стоит у меня напечатана в Радио №6 2005г.(стр16) Статья называется "Измерение электроакустических характеристик громкоговорителей"( К Филатов, г. Таганрог.) Т.е практически 12 лет назад. Какой вывод микрофона я не подключал, не помню, надо разбирать устройство, может попозже... Я прикидываю, что усилитель надо поменять, использую лишь потому, что пока не вижу явных огрехов в измерениях. Продвинусь дальше, они что нибудь наверно вылезет. Пожалуй я возьму еще один капсуль и сделаю более совершенный усилитель к нему. С ФЧХ я пока никак (вижу что то не так), или не умею настраивать. Я на нее или 0 внимания или отключаю. До этого пока не дошло. Мне подсказали схему _https://cxo.lv/solder/micamp/111-micamp01%20я На первый взгляд очень неплохо, вот ее и попробую проанализировать. Изменено 23 Февраля, 2012 в 20:21 пользователем dimonos Ссылка на комментарий Поделиться на другие сайты Поделиться
Гость victors Опубликовано 23 Февраля, 2012 в 18:48 Жалоба Поделиться Опубликовано 23 Февраля, 2012 в 18:48 нарисую на выходных. Сможете дотерпеть? :-) Ссылка на комментарий Поделиться на другие сайты Поделиться
Dimonos Опубликовано 23 Февраля, 2012 в 18:53 Автор Жалоба Поделиться Опубликовано 23 Февраля, 2012 в 18:53 нарисую на выходных. Сможете дотерпеть? :-) Само собой, куда нам спешить? Ссылка на комментарий Поделиться на другие сайты Поделиться
Гость victors Опубликовано 26 Февраля, 2012 в 20:38 Жалоба Поделиться Опубликовано 26 Февраля, 2012 в 20:38 Всем привет, Вот оригинальный рисунок. Надеюсь, рукописный английский - не помеха. Основную идею переделки я изложил выше. Обратите внимание. Автор переделывает не какой то электретный микрофонный капсюль, а WM-60, используемый при изменении АЧХ АС. Такие капсюли сам Клячин рекомендует использовать. Ссылка на комментарий Поделиться на другие сайты Поделиться
Dimonos Опубликовано 26 Февраля, 2012 в 21:40 Автор Жалоба Поделиться Опубликовано 26 Февраля, 2012 в 21:40 Я полагал, Вы дадите ту схему что сделали, или хотя бы наметили, а не скопируете рисунки Линквица. Пусть, тогда не могли бы Вы прокоментировать схему С в сравнении со схемой В? Ссылка на комментарий Поделиться на другие сайты Поделиться
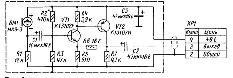
Гость victors Опубликовано 27 Февраля, 2012 в 11:01 Жалоба Поделиться Опубликовано 27 Февраля, 2012 в 11:01 Моя схема как в посте 18 - КТ3102 + КТ315 - хвастаться тут нечем, только микрофон переделан по вышеописанному. Я думал, что непонятно, как переделать микрофон для включения как истоковый повторитель, потому рисунок и привёл. Сделал этот МУ "на скорую руку", когда испытывал влияние ПАС на резонансные свойства двухдюймовых динамиков из комп. АС Genius. Результат очень обнадёжил, но на более серьёзные динамики нужно и МУ тщательнее делать - этот весь шум от рук ловил - приходилось в зажим закреплять. По хорошему, в ту схему, из поста 18, нужно поставить ЭП на выход, и возможно, два первых транзистора взять p-n-p КТ3107Л или К, если не путаю, то они мненн шумные. МУ, продуманный, на ИС, предложил Аудиокиллер. Можно у него посмотреть тоже. Это можно до сборки, в симуляторе проверить, если наши БТ есть в базе. Ссылка на комментарий Поделиться на другие сайты Поделиться
Dimonos Опубликовано 27 Февраля, 2012 в 18:59 Автор Жалоба Поделиться Опубликовано 27 Февраля, 2012 в 18:59 (изменено) Моя схема как в посте 18 - КТ3102 + КТ315 - хвастаться тут нечем.... Меня та схема пока устраивает. Пока... Только там нет КТ315, там вообще транзисторы разной проводимости. ( следовательно схема у Вас другая, и Вы зажали...) Виктор, Вы привели 3 схемы Линквица, мне хотелось бы услышать Ваши комментарии к схеме под буквой С. Как я понимаю схема А- исходный вариант, схема В-истоковый повторитель, тот что Вы описали выше. А схема С?? Изменено 27 Февраля, 2012 в 19:01 пользователем dimonos Ссылка на комментарий Поделиться на другие сайты Поделиться
Рекомендуемые сообщения