Гость aaallleeexxx Опубликовано 10 Февраля, 2012 в 21:39 Жалоба Поделиться Опубликовано 10 Февраля, 2012 в 21:39 (изменено) Генератор гармонических сигналов (рис.1) с частотами от 10 Гц до 100 кГц обладает высокой стабильностью амплитуды. Стабилизация амплитуды сигнала осуществляется с помощью полевого транзистора, включенного в цепь ПОС. Управление полевым транзистором производится постоянным напряжением, которое формируется на конденсаторе С1 и усиливается ОУ DA2. Большой коэффициент передачи ОУ DA2 удерживает амплитуду гармонического сигнала с точностью до десятков милливольт в диапазоне от 1 до 9 В. Регулировка амплитуды осуществляется потенциометром R9. Коэффициент гармоник выходного сигнала менее 0,1%. Собрал схему данного генератора. при подключении питания нет генерации на выходе. Прошу помощи... Изменено 14 Февраля, 2012 в 06:26 пользователем aaallleeexxx Уважаемый топикстартер! Вот примерно так нужно оформлять шапку темы Ссылка на комментарий Поделиться на другие сайты Поделиться
Гость victors Опубликовано 10 Февраля, 2012 в 22:26 Жалоба Поделиться Опубликовано 10 Февраля, 2012 в 22:26 Здравствуй aaallleeexxx, Приведи здесь схему блоку питания, к которому подключал генератор, укажи, какие напряжения, на какие ножки микросхем подавал. На схеме генератора, хоть от руки, подпиши номера выводов микросхем и марки микросхем, которые использовал. Так же, на схеме, напиши, какие напряжения на какой ножке микросхемы есть сейчас. Измерения проводи от общего провода. Хорошо бы ещё фотографию собранного генератора, может, ошибка обнаружится при рассмотрении. Ссылка на комментарий Поделиться на другие сайты Поделиться
alex n Опубликовано 10 Февраля, 2012 в 22:55 Жалоба Поделиться Опубликовано 10 Февраля, 2012 в 22:55 Если по предыдущему посту всё сделано правильно, то просто отключи полевик от первого ОУ и посмотри будет ли генерация вообще ... . :smile: Ссылка на комментарий Поделиться на другие сайты Поделиться
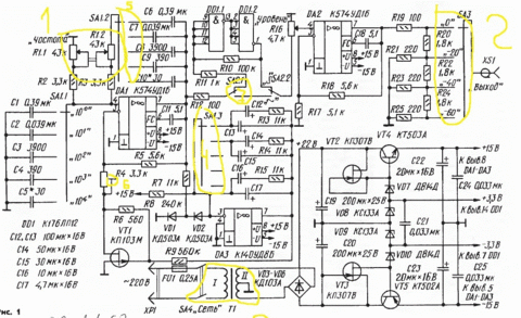
Гость aaallleeexxx Опубликовано 14 Февраля, 2012 в 17:48 Жалоба Поделиться Опубликовано 14 Февраля, 2012 в 17:48 (изменено) Микросхемы использовал 153уд1 (в круглом корпусе), питаю напряжением +,- 15В. Цоколевку микросхем брал со справочника: 4 нога -15В; 7 нога +15В. 6 нога выход, 2 инверстный вход, 3 прямой вход мс. Полевик выпаял, но как я понял без него он точно не запустится. схему с напряжениями прилогаю и печатку. ГЕН.rar Изменено 14 Февраля, 2012 в 18:20 пользователем aaallleeexxx Ссылка на комментарий Поделиться на другие сайты Поделиться
Гость victors Опубликовано 14 Февраля, 2012 в 18:23 Жалоба Поделиться Опубликовано 14 Февраля, 2012 в 18:23 Выводы ОУ в справочнике подписаны правильно, а на схеме у апервого ОУ перепутаны прямой и инверсный входы. Посмотри - резистр R6 замыкает выход ОУ и прямой вход - вместо ООС получается ПОС. Как минимум это нужно исправить.на втором ОУ прямой и инверсный входы стоят по местам правильно. Если этот генератор заработает, советую тебе считать его тренировочным макетом и собрать очень похожую схему из Радио №4, 1988 стр.32 - А. Худошин. "Широкодиапазонный генератор сигналов" Идея та же что и в твоей схеме - генератор на мосте Винна, детектор с удвоением и интегратор на втором ОУ. Только схема погратотнее выполнена и ОУ - К574УД1 - получается диапазон частот до 1 МГц. И ещё, на выход, за интегратором, добавлен дополнительный ОУ, как буферный каскад для ступенчатого аттенюатора выходного сигнала (плавная регулировка есть тоже). И ещё, :smile: добавлен триггер Шмидта на К176ЛП12 (или К561ЛЕ5 - даже лучше), и так получается чистый меандр (прямоугольник симметричный), для импульсного тестирования схем. Что важно, я сделал этот генератор, примерно в 1992 году - работает до сих пор. На приложенной фотографии он внизу, под блоуом питания, со шкалой барабанного типа, в окружении частотомера и ГКЧ. Специально вырезал из фотографии со 136го поста, отсюда _https://forum.datagor.ru/index.php?showtopic=3183&st=126 Ссылка на комментарий Поделиться на другие сайты Поделиться
Гость aaallleeexxx Опубликовано 14 Февраля, 2012 в 20:12 Жалоба Поделиться Опубликовано 14 Февраля, 2012 в 20:12 да при замене этих ног местами начинается генерация, но генерация ни одним переменным резистором не регулируется и похожа больше на генерацию помехи, странная схема, просто мне дал ее преподаватель, сказав что когдато он почти такую собирал, только вместо полевика стояла лампочка, у него все работало и по ней я диплом пишу. Просто теперь теории много написано по мосту Вина в дипломе, брать другую схему без моста значит делать диплом с нуля, вот и приходится запускать этот мост. Ссылка на комментарий Поделиться на другие сайты Поделиться
Гость victors Опубликовано 14 Февраля, 2012 в 20:36 Жалоба Поделиться Опубликовано 14 Февраля, 2012 в 20:36 (изменено) Большенство схем генераторов ЗЧ с мостами Винна. Преподаватель собирал схему, где небыло интегратора и полевика, а лампочка стабилизировала амплитуду. В таком генераторе, любая вибрация приводила к колебаниям Uвых. Для запуска, упрости схему. Выкини всё, что после вывода 6 ОУ1. Входы поставь правильно, как сейчас, когда генерит. Мост Винна, как генератор, запускается, когда Кус ОУ равен, примерно трём. Посмотри отношение R4 к К6 = 0,05! Возьми R4=6,8Ком. R6=20КОм. (или 27Ком). Параллельно R6 поставь цепочку из резистора 22КОм (или 12 КОм, если R6=27КОм) и двух диодов КД521 (или подобных), включённых встречно/ параллельно. Эти диоды будут стабилизировать амплитуду. От инвертирующего вывода ОУ1, на землю (параллельно цепочке R2 R3) можно включить конденсатор, 47 - 100 пФ, для выравнивания амплитуды сигнала на верхнем частотном диапазоне, по отношению к нижним. Очень важно - резистор R1+R2 это сдвоенный резистор, с одним, общим валом. Если в макете это разные резисторы - баланс моста поймать крайне сложно. Получится классический генератор на мосе Винна с диодной стабилизацией по цепи ООС. Если заработает - будем подключать элементы дальше. Каким прибором проверяешь форму сигнала - осцилл. или комп, в качестве осциллографа? Изменено 14 Февраля, 2012 в 20:37 пользователем victors Ссылка на комментарий Поделиться на другие сайты Поделиться
Гость aaallleeexxx Опубликовано 14 Февраля, 2012 в 21:48 Жалоба Поделиться Опубликовано 14 Февраля, 2012 в 21:48 осцилограф омл-2м Ссылка на комментарий Поделиться на другие сайты Поделиться
alex n Опубликовано 15 Февраля, 2012 в 06:15 Жалоба Поделиться Опубликовано 15 Февраля, 2012 в 06:15 (изменено) Подобных схем достаточно много ... . :smile: Изменено 15 Февраля, 2012 в 06:15 пользователем alex n Ссылка на комментарий Поделиться на другие сайты Поделиться
Гость victors Опубликовано 15 Февраля, 2012 в 07:17 Жалоба Поделиться Опубликовано 15 Февраля, 2012 в 07:17 (изменено) осцилограф омл-2м Хороший осциллограф для простых радиолюбительских задач. Если синхронизация производится хорошо, и картинка не бежит - сможешь всё, что связано со звукотехникой, настроить точно. Вот упрощённая, по сравнению с твоей, схема генератора. Я её собирал для тестера электролитических конденсаторов - работает без сложностей в запуске. _https://radioclon12.px6.ru/NCH%20generator%20s%20mostom%20Vinna%2010-140Kgc.htm Собери по ней только часть на первом ОУ (с двухполярным питанием), как я говорил раньше. Потом диодную стабилизацию заменим на интегратор. Вот полезная статья по генераторам НЧ со стабилизацией амплитуды. _https://fedjukov6.-мы не распространяем ссылки на [народ.ру]-/LOW_FREQ_OSC.htm Изменено 15 Февраля, 2012 в 11:13 пользователем victors Ссылка на комментарий Поделиться на другие сайты Поделиться
alex n Опубликовано 15 Февраля, 2012 в 08:57 Жалоба Поделиться Опубликовано 15 Февраля, 2012 в 08:57 Почему-то эта ссылка -https://nowradio.nm.ru/NCH%20generator%20s%20mostom%20Vinna%2010-140Kgc.htm перекидывает на какие-то эротические фото ... . :smile: Ссылка на комментарий Поделиться на другие сайты Поделиться
Гость victors Опубликовано 15 Февраля, 2012 в 11:14 Жалоба Поделиться Опубликовано 15 Февраля, 2012 в 11:14 Почему-то эта ссылка -https://nowradio.nm.ru/NCH%20generator%20s%20mostom%20Vinna%2010-140Kgc.htm перекидывает на какие-то эротические фото ... . :smile: C момента сохранения - имя домена изменилось - следите за отчётом Вашего браузера - он перенаправляет. Вот правильная ссылка. _https://radioclon12.px6.ru/NCH%20generator%20s%20mostom%20Vinna%2010-140Kgc.htm Найдите десять отличий. Ссылка на комментарий Поделиться на другие сайты Поделиться
Рекомендуемые сообщения
Для публикации сообщений создайте учётную запись или авторизуйтесь
Вы должны быть пользователем, чтобы оставить комментарий
Создать учетную запись
Зарегистрируйте новую учётную запись в нашем сообществе. Это очень просто!
Регистрация нового пользователяВойти
Уже есть аккаунт? Войти в систему.
Войти