Перейти к содержанию

Рекомендуемые сообщения

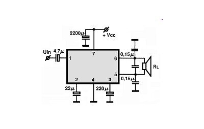
Попали ко мне микросхемы MB3730 написано Japan Nakamichi 79 год выпуска,всё что про неё прогуглил,только схему подключения,может кто стоалкивался или видел где инфу про неё,конкретно меня интерисует в каком классе работает,чувствительность,мощность и что за подключение такое с кондёрами на выходе и на динамике,сгодится ли она на ушниковый усилитель с общей массой на выходе или прийдётся каждое ухо подключать отдельно?

post-6283-1327862307_thumb.jpgpost-6283-1327862456_thumb.jpg

фотка самой микрухи не моя,на моей написано другое Japan Nakamichi

вот ещё кое что нашёл

post-6283-1327862946_thumb.png

Изменено пользователем box-771
Ссылка на комментарий
Поделиться на другие сайты

Обычная мостовая микросхема с питанием от бортсети автомобиля: при питании 13.2V и нагрузке 4 ома реальная мощность - 10вт. Искажения - 0.2% при 1kHz и почти процент при 20kHz. Можно считать её в некотором роде половинкой TDA1557. Среди TDAх подобные микросхемы есть, только номеров сейчас не припомню.

Какая у неё чувствительность, я так и не нашел, но ясно, что фиксированная и всё равно придется душить.

На ушник можно было бы попробовать, если ей дать на вход смещение и увести её таким образом в класс А, однако, боюсь, по шумам она ну никак не подходит...

_https://www.datasheetarchive.com/dl/Datasheets-34/DSA-678537.pdf даташит

 

 

Кстати, если хотите мостовую микросхему подключить с общей массой, это можно устроить. Она, правда уже мостовой не будет, поскольку используется половинка моста. Массой будет минус питания, а сигнал берется с одной из ножек выхода, и через конденсатор для срезания постоянки.

Изменено пользователем yamazaki
Ссылка на комментарий
Поделиться на другие сайты

Для публикации сообщений создайте учётную запись или авторизуйтесь

Вы должны быть пользователем, чтобы оставить комментарий

Создать учетную запись

Зарегистрируйте новую учётную запись в нашем сообществе. Это очень просто!

Регистрация нового пользователя

Войти

Уже есть аккаунт? Войти в систему.

Войти
  • Последние посетители   0 пользователей онлайн

    • Ни одного зарегистрированного пользователя не просматривает данную страницу
×
×
  • Создать...