Перейти к содержанию

Требуется совет по замене конденсаторов в усе Лантюга


Рекомендуемые сообщения

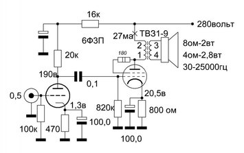
1222443087_skhema-6f3p-dlja-kompa.jpg

В теме https://datagor.ru/amplifiers/tubes/421-tub...-komputera.html про ламповик для компьютера, вопрос состоит в том, чем бы можно заменить межкаскадный конденсатор ССГ на что-нибудь подешевле и притом не портить звук?

Ссылка на комментарий
Поделиться на другие сайты

https://e-mart.datagor.ru/caps/cap-film/164...056uf-160v.html пожалуйста

14 рублей 50 копеек. классный кондер.

 

Добавлено после раздумий:

Серебро золото и так далее это всё шаманство, там гораздо больше от качества диэлектрика зависит. Самый ништяк - бумага, потом полистирол, полипропилен, полиэстер и так далее.

Изменено пользователем yamazaki
Ссылка на комментарий
Поделиться на другие сайты

_https://www.electroclub.info/other/conders1.htm

_https://www.electroclub.info/other/conders2.htm

 

Я бы воткнул МБМ, просто потому, что у меня их есть. А вообще у ламповых усилков слабое место не конденсаторы, а выходные трансы.

Ссылка на комментарий
Поделиться на другие сайты

Я советую полипропилен, потом полиэстер/лавсан (может показать себя Г), бумага типа К40У-9, К42У-2 и др. режет ВЧ без полипропилена/полистирола/слюды. От МБМ (тоже бумага, только плохая) упрощения и муть, лучше без них как-нибудь. НЕ использовать БМ-2, БМТ-2 из-за утечек и вагонов грязи. КБГ-И в керамических корпусах - добро, только на 400В редко бывают нужные номиналы и не всё понятно с рабочим напряжением, эти конденсаторы необходимо шунтировать чем-то более высокочастотным.

Ссылка на комментарий
Поделиться на другие сайты

Сергей, а как насчёт К72П-6? На некоторых сайтах хвалят этот кондер, дабы надёжный, и звук не портит?

А что такое конденсаторы для подавления помех?

Изменено пользователем СТanislav
Ссылка на комментарий
Поделиться на другие сайты

К72П-6 - фторопласт, малые потери частотные свойства неплохие, превосходит полипропилен и равен только полистиролу К71-4 и подобным. К71-7 состоит из нескольких ёмкостей последовательно и поэтому не считается. Полистирол слишком редок, не привёл его в пример как и фторопластовые кондеры ФТ-3 и плёнку Rifa/Wima и др.

Помехоподавлящие конденсаторы - минимум потерь при неплохих частотных свойствах, в маркировка типа MKP X2, MKS X2, или GMF X2. В принципе способны гасить мусор от медленных диодов и другую грязь. В реальности по постоянному току они держат 400В точно, как читал и ни разу не прошило при постоянке 270-350В. На слух как помню ничего особенного и возможно серость. Конденсаторы класса Х2 пихаю в питание и между фазой и нейтралью в сетевых фильтрах (это их прямое назначение).

К78, MKP - полипропилен.

К73, MKS, MKT, нет типа диэлектрика - полиэстер/лавсан/полиэтилентерефталат.

К72 - фторопласт.

К77 - поликарбонат, редкость.

К71 и К70 - полистирол, кроме К71-7 уже редкость.

К40 и К42 - бумага, К40 - металлизированная, К42 - фольговая. Фольга лучше в любом случае. Бумагу нужно чем-то шунтировать.

Импортное не всё существует и в принципе доступно. Китайский полипропилен годен в дело, но с номиналами не всё хорошо.

-------------------------------------

По объектам шастаю и сам разбираю никчёмные вещи и дохлятину. Насмотрелся и начитался так, что в памяти держу такие вещи.

Ссылка на комментарий
Поделиться на другие сайты

СТanislav, а какая акустика?

Оч хороши МБГЧ с шунтом, ПКГТ-П, ФТ, СМ.

Первые два пробовал сам, остальные - рекомендации лучших собаководов.

Стоит испробовать WIMA при резиновой акустике.

А ССГ и впрямь хорош, но можно еще К40-У9 или К42-У2 и шунт КСО, тоже прекрасно будет, только КСО проверить нужно напругой, говорят, попадаются с нехилой утечкой, хотя сам я не встречал, а у меня их около килограмма.

Изменено пользователем kickstarter
Ссылка на комментарий
Поделиться на другие сайты

Колонки пока-что S30. В скором времени сделаю что-нибудь широкополосное.

 

А в цепи анодного питания в схеме стоит полярный кондер. Ставить можно любой? (т.е емкостью? И напругу какую брать? Не ниже 300В Наверно?

Изменено пользователем СТanislav
Ссылка на комментарий
Поделиться на другие сайты

Колонки пока-что S30. В скором времени сделаю что-нибудь широкополосное.

Для S30 можно пробовать все, и Wima и любые безродные китайские (подходящие по номиналам)

 

 

А в цепи анодного питания в схеме стоит полярный кондер. Ставить можно любой? (т.е емкостью? И напругу какую брать? Не ниже 300В Наверно?

В аноде, там подписано, оба на 100μF, а по напруге, там 1,3В и 20,5В, так что, можно и на 63 поставить, хотя, может я не прав.

 

ПыСы. Там на фото, когда уже собирали усилитель, разделительным стоит К40 У-9.

Ссылка на комментарий
Поделиться на другие сайты

Для публикации сообщений создайте учётную запись или авторизуйтесь

Вы должны быть пользователем, чтобы оставить комментарий

Создать учетную запись

Зарегистрируйте новую учётную запись в нашем сообществе. Это очень просто!

Регистрация нового пользователя

Войти

Уже есть аккаунт? Войти в систему.

Войти
  • Последние посетители   0 пользователей онлайн

    • Ни одного зарегистрированного пользователя не просматривает данную страницу
×
×
  • Создать...