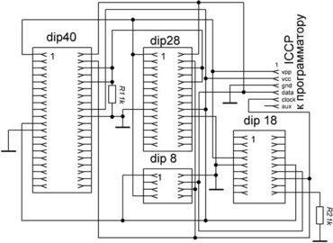
Гость jawa634 Опубликовано 27 Октября, 2011 в 16:11 Жалоба Поделиться Опубликовано 27 Октября, 2011 в 16:11 Спаял Pickit2-Lite. Программатор заработал, теперь нужен переходничок на разные корпуса. Нашел такую схему, на ней два резистора. Не догоняю зачем они нужны, проясните пожалуйста!! Ссылка на комментарий Поделиться на другие сайты Поделиться
Гость borman Опубликовано 29 Октября, 2011 в 10:26 Жалоба Поделиться Опубликовано 29 Октября, 2011 в 10:26 Спаял Pickit2-Lite. Программатор заработал, теперь нужен переходничок на разные корпуса. Нашел такую схему, на ней два резистора. Не догоняю зачем они нужны, проясните пожалуйста!! Я полагаю, чтобы при программировании определенные выводы были притянуты к земле. Ссылка на комментарий Поделиться на другие сайты Поделиться
Гость jawa634 Опубликовано 29 Октября, 2011 в 20:01 Жалоба Поделиться Опубликовано 29 Октября, 2011 в 20:01 Разобрался, дело в низковольтном программировании (Low-Voltage programming). Вход PGM (10 - dip18, 26 - dip28, 38 - dip40) отвечает за это. Резистор подтягивает до нуля этот вывод, чтобы LVP не включалось во время прошивки. В принципе, можно обойтись без резисторов. Ссылка на комментарий Поделиться на другие сайты Поделиться
Гость klon_kz Опубликовано 29 Октября, 2011 в 20:53 Жалоба Поделиться Опубликовано 29 Октября, 2011 в 20:53 Не стоит! Уменьшает влияние непредсказуемых помех на шинах девайса. Ссылка на комментарий Поделиться на другие сайты Поделиться
Рекомендуемые сообщения
Для публикации сообщений создайте учётную запись или авторизуйтесь
Вы должны быть пользователем, чтобы оставить комментарий
Создать учетную запись
Зарегистрируйте новую учётную запись в нашем сообществе. Это очень просто!
Регистрация нового пользователяВойти
Уже есть аккаунт? Войти в систему.
Войти