shaytan Опубликовано 8 Марта, 2011 в 17:14 Жалоба Поделиться Опубликовано 8 Марта, 2011 в 17:14 (изменено) Интересная конструкция для низкоомных наушников описана в статье февральского номера журнала "Радиохобби" №1-2011 "Простой усилитель с токовым выходом для наушников" на с.48-50. 2 м/с + 4 транзистора = 2-тактный токовый выход на стандартный 3-х проводный стереовыход. Автор И. Липавский пишет, что звучание очень хорошее, несмотря на питание +/- 7 В. Схему и рисунки печатных плат из журнала прилагаю, может кто повторит, и напишет, стоящее ли дело ИТУН для наушников? :smile: lipavsky_111_pcb.7z Изменено 9 Марта, 2011 в 10:38 пользователем Игорь (Datagor) Ссылка на комментарий Поделиться на другие сайты Поделиться
Гость mreagle Опубликовано 9 Марта, 2011 в 16:03 Жалоба Поделиться Опубликовано 9 Марта, 2011 в 16:03 Спасибо за схему))) Постараюсь попробовать. Осталось только на рынок за деталями. А со своим я кое-что ещё придумал. Боюсь, я небольшую ошибку сделал. С выходом. Надо кое-что местами поменять. Ссылка на комментарий Поделиться на другие сайты Поделиться
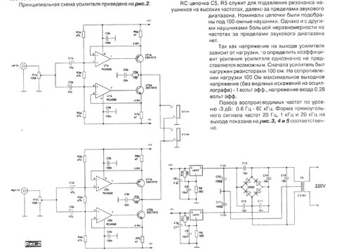
Chugunov Опубликовано 9 Марта, 2011 в 16:51 Жалоба Поделиться Опубликовано 9 Марта, 2011 в 16:51 Схему и рисунки печатных плат из журнала прилагаю... А можно текст полностью? Ссылка на комментарий Поделиться на другие сайты Поделиться
shaytan Опубликовано 9 Марта, 2011 в 17:33 Автор Жалоба Поделиться Опубликовано 9 Марта, 2011 в 17:33 (изменено) Даю полностью. Добавлено после раздумий: Следующая страница. Испытания. Добавлено после раздумий: Последняя страница. Желаю удачи! :smile: Изменено 9 Марта, 2011 в 17:34 пользователем shaytan Ссылка на комментарий Поделиться на другие сайты Поделиться
if33 Опубликовано 9 Марта, 2011 в 18:55 Жалоба Поделиться Опубликовано 9 Марта, 2011 в 18:55 Спасибо за интересную схему. Принцип токовой обратной связи очень оригинально применен и его можно использовать не только для наушников. Ссылка на комментарий Поделиться на другие сайты Поделиться
shaytan Опубликовано 10 Марта, 2011 в 16:16 Автор Жалоба Поделиться Опубликовано 10 Марта, 2011 в 16:16 Спасибо за интересную схему. Принцип токовой обратной связи очень оригинально применен и его можно использовать не только для наушников. Да пожалуйста! Этот номер "Радиохобби" вообще богат на схемы ус-ей для наушников - там еще 3 обычно-необычные схемы. Насчет применения: Пораскинув мозгами (по стенке :smile:) рискну предложить любителям звука на Ge схрестить даный у-сь с выходным каскадом горячо обсуждаемого на форумах Усилителя на германии от vol2008 _https://forum.datagor.ru/index.php?showtopic=5112, а для ушного усилителя - применить на выходе ГТ402-404, или 703-705 (может и не подойдут по коэффициенту усиления :smile: ). Ссылка на комментарий Поделиться на другие сайты Поделиться
Chugunov Опубликовано 10 Марта, 2011 в 21:47 Жалоба Поделиться Опубликовано 10 Марта, 2011 в 21:47 Даю полностью. Спасибо за информацию, жаль, что пока нет нужных микросхем, буду заказывать. Ссылка на комментарий Поделиться на другие сайты Поделиться
mr.red Опубликовано 11 Марта, 2011 в 02:46 Жалоба Поделиться Опубликовано 11 Марта, 2011 в 02:46 Схему стырили вот отседова _https://www.victorsaf.-мы не распространяем ссылки на [народ.ру]-/RadioLub/TokovUNsH/index.html . Там, кстати есть схема, которая по мнению Автора, больше подходит для наушников, а это, можно сказать сырая схема - экспериментальная ... Ссылка на комментарий Поделиться на другие сайты Поделиться
shaytan Опубликовано 11 Марта, 2011 в 07:20 Автор Жалоба Поделиться Опубликовано 11 Марта, 2011 в 07:20 Mr.red! Очень интересная статья _https://www.victorsaf.-мы не распространяем ссылки на [народ.ру]-/RadioLub/TokovUNsH/index.html, СПАСИБО! Ссылка на комментарий Поделиться на другие сайты Поделиться
if33 Опубликовано 11 Марта, 2011 в 14:06 Жалоба Поделиться Опубликовано 11 Марта, 2011 в 14:06 Очень большую работу по токовой обратной связи проделал И. Акулиничев. Одну из его конструкций повторил из Радио 1975г. №1, стр 54 "Токовая обратная связь в усилителе НЧ". Это было в 1976г. Звучание усилителя было необычайно приятным. У Акулиничева много схем с токовым принципом использования транзистора. Ссылка на комментарий Поделиться на другие сайты Поделиться
Гость сиг Опубликовано 24 Декабря, 2011 в 12:47 Жалоба Поделиться Опубликовано 24 Декабря, 2011 в 12:47 Схему стырили вот отседова _https://www.victorsaf.-мы не распространяем ссылки на [народ.ру]-/RadioLub/TokovUNsH/index.html .Там, кстати есть схема, которая по мнению Автора, больше подходит для наушников, а это, можно сказать сырая схема - экспериментальная ... На днях сделал для неё две печатные платы и начал распаивать -очень интересно послушать. Ссылка на комментарий Поделиться на другие сайты Поделиться
shaytan Опубликовано 26 Декабря, 2011 в 21:50 Автор Жалоба Поделиться Опубликовано 26 Декабря, 2011 в 21:50 На днях сделал для неё две печатные платы и начал распаивать -очень интересно послушать. Я уже месяц как собрал усилитель по этой усовершенствованной схеме на 1-й ОРА2604 и 2-х наших 140УД8А. 140УД6 ну никак не пошла :smile: . Может партия такая попалась - на выходе усилителя давала легкий возбуд и все тут... 2 канала на одной плате + 2 радиатора (на каждый канал). Питание оставил 12 вольт, хотя подавал и 15, усилитель нормально работал без каких либо дополнительных подстроек и перегруза, для высокоомных наушников (100-250 Ом) это ИМХО даже лучше. Звучанием остался доволен, есть конечно свои нюансы, ну а где их нет? :smile: Фотки сделал, при первой возможности выложу на форуме... Ссылка на комментарий Поделиться на другие сайты Поделиться
Рекомендуемые сообщения
Для публикации сообщений создайте учётную запись или авторизуйтесь
Вы должны быть пользователем, чтобы оставить комментарий
Создать учетную запись
Зарегистрируйте новую учётную запись в нашем сообществе. Это очень просто!
Регистрация нового пользователяВойти
Уже есть аккаунт? Войти в систему.
Войти