Гость hsl Опубликовано 14 Сентября, 2010 в 17:29 Жалоба Поделиться Опубликовано 14 Сентября, 2010 в 17:29 Доброго времени суток! Есть компьютерный БП АТ Нужно получить напряжение 12-15в, и ток не менее 5А, в принципе те 12в 7,5А хватит за глаза, но сдается мне что нехорошо это будет для БП если все остальные напряжения будут висеть в воздухе, нагружать их чисто ради нагрузки тоже вроде бессмысленно, поэтому хотелось бы просто выкинуть лишнее и оставить 12в, ну или чуть больше, до 15в. Для начала искал схему, на форуме паяльника куча ссылок по этой теме, но конкретно этого так и не нашел. Ближайшая похожая схема вот Похожая, да не та, у меня нет транзисторов между TL494 и LM339, собственно и микросхемы у меня другие DBL4494 и DBL339, но по крайней мере это аналоги. Вобщем первый вопрос, хотелось бы найти схему конкретно этого БП, может у кого завалялась. Что хотелось бы получить, попалась вот такая переделанная схемка Практически то что надо на выходе и ничего лишнего, но эта схема, все что есть, никаких коментариев. Есть непонятный момент с выходным трансформатором, он вроде как не переделаный, а родной, иначе зачем бы делать четыре обмотки вместо двух, но суть идеи я так понимаю это задействовать все имеющиеся обмотки. Вот тут собственно и начинаются непонятки, если взять за основу ту похожую схему что я выложил, как параллелить обмотки? И вообще на 12 и 5в они же разные я полагаю? В моем случае 5в обмотка идет двумя проводами, транс придется выпаивать, перематывать? Вобщем я в конец запутался, подскажите как попроще получить то что нужно? Ссылка на комментарий Поделиться на другие сайты Поделиться
alex n Опубликовано 14 Сентября, 2010 в 17:35 Жалоба Поделиться Опубликовано 14 Сентября, 2010 в 17:35 На "Паяльнике" столько ссылок на эту тему, что можно было давно всё уже переделать... . :smile: Не нужна точная схема, все они почти одинаковые, тем более там стоят микросхемы 494 и 339. Главная задача, это убрать лишние защиты, причём вместе с 339, убрать лишние выпрямители и переделать обратную связь от пятивольтового выхода на двеннадцативольтовый - в ссылках всё это можно найти. При токах до 10-ти ампер выходной каскад можно вообще не трогать, только подкорректировать выходное напряжение и проверить работу защиты по высокому напряжению... . Ссылка на комментарий Поделиться на другие сайты Поделиться
Segun Опубликовано 14 Сентября, 2010 в 17:43 Жалоба Поделиться Опубликовано 14 Сентября, 2010 в 17:43 Доброго времени суток!Есть компьютерный БП АТ Совсем "китайский", судя по убогим радиаторам, для препарации надо бы поинтересней найти. А с этим циклом ознакомились? _https://datagor.ru/practice/power/1280-reinkarnacija-kompjuternykh-bp.-chast-4.html Ссылка на комментарий Поделиться на другие сайты Поделиться
Гость hsl Опубликовано 14 Сентября, 2010 в 19:44 Жалоба Поделиться Опубликовано 14 Сентября, 2010 в 19:44 На "Паяльнике" столько ссылок на эту тему, что можно было давно всё уже переделать... . :smile: Не нужна точная схема, все они почти одинаковые, тем более там стоят микросхемы 494 и 339. Главная задача, это убрать лишние защиты, причём вместе с 339, убрать лишние выпрямители и переделать обратную связь от пятивольтового выхода на двеннадцативольтовый - в ссылках всё это можно найти. При токах до 10-ти ампер выходной каскад можно вообще не трогать, только подкорректировать выходное напряжение и проверить работу защиты по высокому напряжению... . если внимательно прочитать мой пост, все ссылки на паяльнике я просмотрел... убрать лишние... ну так я и хотел узнать что лишнее... много слов и ничего что я бы понял... Добавлено после раздумий: Совсем "китайский", судя по убогим радиаторам, для препарации надо бы поинтересней найти.А с этим циклом ознакомились? _https://datagor.ru/practice/power/1280-reinkarnacija-kompjuternykh-bp.-chast-4.html Да не такие уж они и убогие, он всего то 200вт, я видел и более убогие у АТХ блоков большей мощности. Другие есть, но выбор пал на него потому что это АТ, а это значит уже меньше деталей нужно выкидывать. Статью эту, я читал, но там же все чуть ли не по деталькам разбирается, а мне нужно то всего лишь использовать одно напряжение из всех что есть в наличии, но чтоб этот было корректно по отношению к БП. Т.е задача в том чтобы убрать лишнее, но с минимальным изменением того что останется. Ссылка на комментарий Поделиться на другие сайты Поделиться
Dimonos Опубликовано 14 Сентября, 2010 в 19:47 Жалоба Поделиться Опубликовано 14 Сентября, 2010 в 19:47 Добрый вечер. А зачем переделывать? что то не работает? Ссылка на комментарий Поделиться на другие сайты Поделиться
Гость hsl Опубликовано 14 Сентября, 2010 в 19:53 Жалоба Поделиться Опубликовано 14 Сентября, 2010 в 19:53 (изменено) Вечер добрый. А разве можно использовать импульсный БП без нагрузки? Вернее почти без нагрузки, использоватся то будет только 12в. Из прочитанного где то на паяльнике, вобщем там говорилось что оставлять частично на холостом ходу не есть хорошо. Изменено 14 Сентября, 2010 в 20:00 пользователем hsl Ссылка на комментарий Поделиться на другие сайты Поделиться
Dimonos Опубликовано 14 Сентября, 2010 в 20:15 Жалоба Поделиться Опубликовано 14 Сентября, 2010 в 20:15 Вечер добрый.А разве можно использовать импульсный БП без нагрузки? А вот я использую, уже много лет, правда не такой, а на 300 ватт.(почему собственно они у меня есть? потому, что от них не запускается компьтер) Пользуюсь только +12вольт. Питаю усилитель 4х 40 ватт. Пока живой. Если не знать , что можно переделать.... в ообщем я не знал. Ссылка на комментарий Поделиться на другие сайты Поделиться
Гость hsl Опубликовано 14 Сентября, 2010 в 20:27 Жалоба Поделиться Опубликовано 14 Сентября, 2010 в 20:27 Ну если не разберусь, то тоже так буду использовать, пока будет работать. Хотелось просто по правильному. Ссылка на комментарий Поделиться на другие сайты Поделиться
Segun Опубликовано 15 Сентября, 2010 в 00:37 Жалоба Поделиться Опубликовано 15 Сентября, 2010 в 00:37 (изменено) Ну если не разберусь, то тоже так буду использовать, пока будет работать. Хотелось просто по правильному. Выпаять лишние провода, впаять резюки в 5 -ти вольтовые цепи по 1 ком, можно еще диоды поменять местами +5в и + 12в, и пусть работает. :smile: -https://smham.-мы не распространяем ссылки на [юкоз.ру]-/publ/11-1-0-123 -https://kkbweb.-мы не распространяем ссылки на [народ.ру]-/kkb/power_source/peredelka_bp.htm -https://hamcmw.qrz.ru/techn/bp-pc.htm -https://www.un7ppx.-мы не распространяем ссылки на [народ.ру]-/device/pow31.htm -https://radiomaster.com.ua/index.php?newsid=156 -https://bsvi.pp.ua/laboratornyj-blok-pitaniya-iz-atx/ -https://forum.ixbt.com/topic.cgi?id=48:3848 -https://www.ra4a.ru/publ/5-1-0-387 -https://hamnv.-мы не распространяем ссылки на [народ.ру]-/bp_pc.htm -https://www.demio.info/modules.php?name=Articles&pa=showarticle&articles_id=387 Вот инфо для размышления Изменено 15 Сентября, 2010 в 00:44 пользователем segun Ссылка на комментарий Поделиться на другие сайты Поделиться
Wal Опубликовано 15 Сентября, 2010 в 06:56 Жалоба Поделиться Опубликовано 15 Сентября, 2010 в 06:56 Выпаять лишние провода, впаять резюки в 5 -ти вольтовые цепи по 1 ком, можно еще диоды поменять местами +5в и + 12в, и пусть работает. :smile: -https://smham.-мы не распространяем ссылки на [юкоз.ру]-/publ/11-1-0-123 -https://kkbweb.-мы не распространяем ссылки на [народ.ру]-/kkb/power_source/peredelka_bp.htm -https://hamcmw.qrz.ru/techn/bp-pc.htm -https://www.un7ppx.-мы не распространяем ссылки на [народ.ру]-/device/pow31.htm -https://radiomaster.com.ua/index.php?newsid=156 -https://bsvi.pp.ua/laboratornyj-blok-pitaniya-iz-atx/ -https://forum.ixbt.com/topic.cgi?id=48:3848 -https://www.ra4a.ru/publ/5-1-0-387 -https://hamnv.-мы не распространяем ссылки на [народ.ру]-/bp_pc.htm -https://www.demio.info/modules.php?name=Articles&pa=showarticle&articles_id=387 Вот инфо для размышления Извините, но нет тут информации для размышления. 80% указанных ссылок - одна и таже статья о переделке БП для трансивера. А хочется материалу, как переделать БП под свои нужды (на любое напряжение) Ссылка на комментарий Поделиться на другие сайты Поделиться
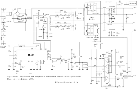
Гость hsl Опубликовано 15 Сентября, 2010 в 07:24 Жалоба Поделиться Опубликовано 15 Сентября, 2010 в 07:24 Выпаять лишние провода, впаять резюки в 5 -ти вольтовые цепи по 1 ком, можно еще диоды поменять местами +5в и + 12в, и пусть работает. :smile: -https://smham.-мы не распространяем ссылки на [юкоз.ру]-/publ/11-1-0-123 -https://kkbweb.-мы не распространяем ссылки на [народ.ру]-/kkb/power_source/peredelka_bp.htm -https://hamcmw.qrz.ru/techn/bp-pc.htm -https://www.un7ppx.-мы не распространяем ссылки на [народ.ру]-/device/pow31.htm -https://radiomaster.com.ua/index.php?newsid=156 -https://bsvi.pp.ua/laboratornyj-blok-pitaniya-iz-atx/ -https://forum.ixbt.com/topic.cgi?id=48:3848 -https://www.ra4a.ru/publ/5-1-0-387 -https://hamnv.-мы не распространяем ссылки на [народ.ру]-/bp_pc.htm -https://www.demio.info/modules.php?name=Articles&pa=showarticle&articles_id=387 Вот инфо для размышления Практически все эти ссылки мне попадались на паяльнике... Резисторы 1 кОм, там будут мертвому припарка, если судить по приведенной мной выше схеме там уже стоят резисторы по выходам, порядка 100-400 Ом. Да и опять же вот по первой же ссылке написано ...нужно только +12В, для того же УМЗЧ, что делать с остальными? Оставить не подключенными – в результате – сильный нагрев выходного стабилизирующего дросселя, и при длительной работе выход его из строя, возможное решение – это сделать принудительное охлаждение для дросселя (шум, громоздкость и др.), искусственно создать нагрузку на неиспользуемые каналы (преимущественно на +5В, и нагрузку порядка 2А) или полностью переделать цепь выпрямителя и фильтра выходных напряжений. Первые два случай менее эффективные... Выходит оставить как есть или нагружать "пустые" цепи это не выход. Ну и собственно мне бы не размышлять, а конкретное решение, или хотя бы конкретный ответ на вопросы. Извините, но нет тут информации для размышления.80% указанных ссылок - одна и таже статья о переделке БП для трансивера. А хочется материалу, как переделать БП под свои нужды (на любое напряжение) Из того что я просматривал больше всего под это дело подходит вот эта схемка регулируемые выходные напряжение и ток, но это АТХ Ссылка на комментарий Поделиться на другие сайты Поделиться
FOLKSDOICH Опубликовано 15 Сентября, 2010 в 09:39 Жалоба Поделиться Опубликовано 15 Сентября, 2010 в 09:39 А найдите кучку отличий. Ссылка на комментарий Поделиться на другие сайты Поделиться
Рекомендуемые сообщения
Для публикации сообщений создайте учётную запись или авторизуйтесь
Вы должны быть пользователем, чтобы оставить комментарий
Создать учетную запись
Зарегистрируйте новую учётную запись в нашем сообществе. Это очень просто!
Регистрация нового пользователяВойти
Уже есть аккаунт? Войти в систему.
Войти