Гость ivanaudio Опубликовано 30 Декабря, 2009 в 13:43 Жалоба Поделиться Опубликовано 30 Декабря, 2009 в 13:43 Статья тут: https://datagor.ru/blogs/datagor/page,1,1,1...-malenkojj.html Может я и не первый изобретатель, но такая вот схема вышла. На счетверённом триггере Шмидта собрано четыре мультивибратора. Частота работы каждого мультивибратора задаётся номиналами RC. Ёмкости можно применить 1..10мк/16В, резисторы 100..910кОм. Схема работает так, сначала зажигаются HL1..HL4, далее они гаснут и зажигаются HL5..HL8 и так до полной разрядки батарейки типа Крона. Т.к. частота у всех четырёх мультивибраторов разная, получается эффект пересыпающихся огоньков, можно даже применять светодиоды одного цвета. Ток схема потребляет 6..10ма, при использовании ярких светодиодов. Я применял яркие светодиоды(не суперяркие, т.к. они дороги), при подключении четырёх диодов последовательно к батарейке 9В, ток через секцию составил 3ма. Можно применить любую импортную микросхему с цифрами 4093 или нашу КР561ТЛ1. Я делал всё навесным, приклеил микросхему(ногами вверх) к пластиковой коробочке и напаял всё на неё. Ссылка на комментарий Поделиться на другие сайты Поделиться
Гость alexjc Опубликовано 30 Декабря, 2009 в 14:04 Жалоба Поделиться Опубликовано 30 Декабря, 2009 в 14:04 здоровски! только непойму к чему такие геройства, если гирлянда на 100 лампочек стоит 2 бакса? Ссылка на комментарий Поделиться на другие сайты Поделиться
Гость ivanaudio Опубликовано 30 Декабря, 2009 в 14:15 Жалоба Поделиться Опубликовано 30 Декабря, 2009 в 14:15 (изменено) здоровски!только непойму к чему такие геройства, если гирлянда на 100 лампочек стоит 2 бакса? А она черезвычайно электропожароопасна и самый главный минус, она сделана китайскими руками. А вот от девайса лично спаянного, совсем другое наслаждение. Возможно, схема выглядит страшновато(виноваты многочисленные светодиоды), но девайс ужастно простой. Завтра фотки выложу. Изменено 30 Декабря, 2009 в 14:49 пользователем ivanaudio Ссылка на комментарий Поделиться на другие сайты Поделиться
Гость ivanaudio Опубликовано 30 Декабря, 2009 в 18:39 Жалоба Поделиться Опубликовано 30 Декабря, 2009 в 18:39 И всех единомышленников, поздравляю с Новым Годом и с новой страничкой в творчестве! Я уже написал на некоторых папках с прожектами (маркером, чёрным и жирным) - "2010!". Желаю всем, новых изобретений, в Новом Году! Ссылка на комментарий Поделиться на другие сайты Поделиться
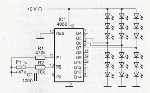
alex n Опубликовано 30 Декабря, 2009 в 20:06 Жалоба Поделиться Опубликовано 30 Декабря, 2009 в 20:06 (изменено) Можно собрать аналогичную на 4060, получится ещё проще... . Изменено 30 Декабря, 2009 в 20:06 пользователем alex n Ссылка на комментарий Поделиться на другие сайты Поделиться
Гость ivanaudio Опубликовано 30 Декабря, 2009 в 20:43 Жалоба Поделиться Опубликовано 30 Декабря, 2009 в 20:43 (изменено) Может и проще, но тут бинарный разряд +1 пересыпается, довольно однообразно, так бегущие огни делают. Очень мало разнообразия. В детстве, делал подобне на К176ИД3, только генератор был внешний. Изменено 30 Декабря, 2009 в 21:15 пользователем ivanaudio Ссылка на комментарий Поделиться на другие сайты Поделиться
alex n Опубликовано 30 Декабря, 2009 в 20:50 Жалоба Поделиться Опубликовано 30 Декабря, 2009 в 20:50 Мне кажется, что наоборот, ибо на выходах 4060 получаются разные частОты в противоположность от Вашей схемы, к тому же можно задействовать и другие выходы, что увеличит колличество каналов и разнообразность комбинаций... . :smile: Ссылка на комментарий Поделиться на другие сайты Поделиться
Гость ivanaudio Опубликовано 30 Декабря, 2009 в 21:38 Жалоба Поделиться Опубликовано 30 Декабря, 2009 в 21:38 А я знаю точно, что задающий гератор один и все переключения кластеров светодиодов жёстко привязаны в счётчике, потому всё будет регулярно повторяться и будет однообразие. А если задействовать другие выходы и входы, то схема будет совершенно жуткой. А вы проверяли в работе ваши схемотехнические изыски? Если по три светодиода на 9В, то там должны стоять довольно экзотические светодиоды(которые работают на 3В). Ссылка на комментарий Поделиться на другие сайты Поделиться
alex n Опубликовано 30 Декабря, 2009 в 23:27 Жалоба Поделиться Опубликовано 30 Декабря, 2009 в 23:27 (изменено) Схема рабочая, диоды не "экзотические", а обычные сверхяркие на 3 вольта, но ничто не мешает поставить в неё обычные АЛ307 по четыре штуки... . :smile: И я совершенно не против Вашей схемы, просто выложил, ибо увидел аналогичное включение светодиодов и более простую схему... . :smile: Изменено 30 Декабря, 2009 в 23:34 пользователем alex n Ссылка на комментарий Поделиться на другие сайты Поделиться
Datagor Опубликовано 31 Декабря, 2009 в 03:41 Жалоба Поделиться Опубликовано 31 Декабря, 2009 в 03:41 только непойму к чему такие геройства, если гирлянда на 100 лампочек стоит 2 бакса? С такими настроениями Вы среди нас не долго продержитесь. Ссылка на комментарий Поделиться на другие сайты Поделиться
Гость sergey49 Опубликовано 31 Декабря, 2009 в 10:36 Жалоба Поделиться Опубликовано 31 Декабря, 2009 в 10:36 Друзья, ну что вы в самом деле, нашли о чём спорить в Новый Год! И та схема хороша, и эта, и китайская за 2 бакса, лишь бы радовала нас в Новый Год. С наступающим вас Новым Годом!!!! :smile: :smile: :smile: Ссылка на комментарий Поделиться на другие сайты Поделиться
Гость ivanaudio Опубликовано 2 Января, 2010 в 15:03 Жалоба Поделиться Опубликовано 2 Января, 2010 в 15:03 Фото девайса. Только тут всего две гирлянды припаяно из четырёх. Черезвычайно всё просто. Ссылка на комментарий Поделиться на другие сайты Поделиться
Рекомендуемые сообщения
Для публикации сообщений создайте учётную запись или авторизуйтесь
Вы должны быть пользователем, чтобы оставить комментарий
Создать учетную запись
Зарегистрируйте новую учётную запись в нашем сообществе. Это очень просто!
Регистрация нового пользователяВойти
Уже есть аккаунт? Войти в систему.
Войти