Гость saneksamara Опубликовано 18 Декабря, 2009 в 20:27 Жалоба Поделиться Опубликовано 18 Декабря, 2009 в 20:27 Недавно начал собирать усилитель на по статье усилитель для автомобильного сабвуфера на TDA7240 с трудом нашел 7240, резисторы на2,2 Ома вообще не нашел, один выпаял, другой купил только один на 2,4 5w!, и заменил резистор 47КОм на 3 последовательно вкл. 22КОМ+22+3.3КОМ, Конденсаторы с9 и с10 разные показаны на рисунке (зеленый и желтый). Как написано в статье про автовключение, я убрал из схемы Т1,2 R4/5/6/7/ Включил. Тишина..... Подскажите как и что сделал неправильно! Статья тут __https://datagor.ru/amplifiers/chipamps/206-prostojj-sabvufer-avtoljubitelja-na-tda7240.html Ссылка на комментарий Поделиться на другие сайты Поделиться
Гость diamond Опубликовано 18 Декабря, 2009 в 22:29 Жалоба Поделиться Опубликовано 18 Декабря, 2009 в 22:29 Доброго времени суток, Уважаемый. Я в схемотехнике не силен, зЕлен еще. И все же... Мне кажется, что даже опытным форумчанам будет сложно разобраться при таком качестве фотографий... Качество самого исполнения тоже поражает, но не мне судить. Аккуратность дело каждого человека лично. Мой вам совет, для начала, найдите нормальный фотоаппарат и выложите снимки надлежащего качества. А так же проверьте схему на наличие залипов после пайки. Это, впрочем, первоочередно и логично всегда. Ссылка на комментарий Поделиться на другие сайты Поделиться
Гость neyalm Опубликовано 18 Декабря, 2009 в 23:26 Жалоба Поделиться Опубликовано 18 Декабря, 2009 в 23:26 Тоже совсем зеленый,тоже очень расстраивают такие ситуации,впадаю в отчаяние... На твоем девайсе нашел баг,хотя он совершенно погоды не делает,надо разобраться все-таки с маркиировкой резисторов. 3R3 белый такой-он 3.3к,он 3.3 Ома Погоды не делает,потому что указанные на схеме резисторы в реальности могут отличаться минимум на 5% по номиналу,и все это учтено.То есть вместо резистора 47к может быть любой 45-50к, а то и 42-53к. От чего питал? Тут практически все рано или поздно убивали девайсы,когда выпрямляли переменку,что-то горело или взрывалось,меряли постоянку,она получалась почти в полтора раза больше ожидаемого. При выпрямлении перемнного тока напряжение возрастает в 1.4 раза. От чего слушал и на чем? Ссылка на комментарий Поделиться на другие сайты Поделиться
Гость saneksamara Опубликовано 19 Декабря, 2009 в 09:35 Жалоба Поделиться Опубликовано 19 Декабря, 2009 в 09:35 Diamond- Завтра пойду в магазин куплю зеркальную камеру за 30000 тыс и обязательно сфотографирую. neyalm- питал от 12в трансформатора с выпрямителем, слушал на 4х омном динамике Hynday, когда подключаеш питание слышиться очень тихий "тык" и все тишина, так я все боялся уубрать это автоматическое включение, не нашел транзисторов Т1,308вс Т2,238, И вот убрал и не работаеть, может надо что- поменять или добавить если убираеш R4/5/6/7 T1 b T2? В статье ничегго про изменения не написано вот теперь сижу и думаю как бы это все сделать ??? Ссылка на комментарий Поделиться на другие сайты Поделиться
Гость saneksamara Опубликовано 19 Декабря, 2009 в 09:35 Жалоба Поделиться Опубликовано 19 Декабря, 2009 в 09:35 Diamond- Завтра пойду в магазин куплю зеркальную камеру за 30000 тыс и обязательно сфотографирую. neyalm- питал от 12в трансформатора с выпрямителем, слушал на 4х омном динамике Hynday, когда подключаеш питание слышиться очень тихий "тык" и все тишина, так я все боялся уубрать это автоматическое включение, не нашел транзисторов Т1,308вс Т2,238, И вот убрал и не работаеть, может надо что- поменять или добавить если убираеш R4/5/6/7 T1 b T2? В статье ничегго про изменения не написано вот теперь сижу и думаю как бы это все сделать ??? Ссылка на комментарий Поделиться на другие сайты Поделиться
Гость puntus Опубликовано 19 Декабря, 2009 в 09:57 Жалоба Поделиться Опубликовано 19 Декабря, 2009 в 09:57 Diamond действительно прав, но дело даже не в этом. Начинать надо с печатки, без нее разговор будет трудным. Выложи ее сюда, посмотрим. Я когда то собирал усь по данной схеме, но давненько это было. Ссылка на комментарий Поделиться на другие сайты Поделиться
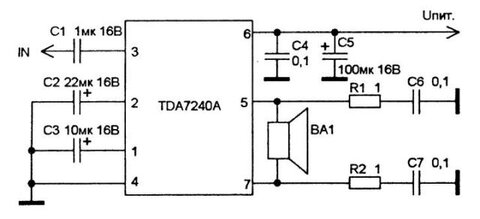
Гость saneksamara Опубликовано 19 Декабря, 2009 в 10:14 Жалоба Поделиться Опубликовано 19 Декабря, 2009 в 10:14 Внизу ссылка на статью там все есть. Ссылка на комментарий Поделиться на другие сайты Поделиться
Гость puntus Опубликовано 19 Декабря, 2009 в 10:50 Жалоба Поделиться Опубликовано 19 Декабря, 2009 в 10:50 Хм вроде всё нормально. Посмотри внимательно нет ли где перемычек, может при пайке капнул случайно (опусти платку в спирт, чтобы канифоль сошла, будет виднее:smile:) и попробуй сигнал подать в обход ФНЧ, прямо на конденсатор C4. и посмотри - всё ли пропаяно. Ссылка на комментарий Поделиться на другие сайты Поделиться
Гость tanuki Опубликовано 19 Декабря, 2009 в 10:52 Жалоба Поделиться Опубликовано 19 Декабря, 2009 в 10:52 Здравствуйте saneksamara! Хотел бы посоветовать Вам для начала почистить печатку (уберите огромные капли припоя, канифоли), возможно и правда где то дорожки замкнуты. Если есть какой измерительный прибор проверьте детали. Сравните печатку со схемой - соответствует ли. По меряйте питание. Всё у Вас получится, не огорчайтесь! Удачи! Ссылка на комментарий Поделиться на другие сайты Поделиться
Гость saneksamara Опубликовано 19 Декабря, 2009 в 10:56 Жалоба Поделиться Опубликовано 19 Декабря, 2009 в 10:56 Спасибо!! сейчас попробую правда спирта нет !!! Ссылка на комментарий Поделиться на другие сайты Поделиться
Гость neyalm Опубликовано 19 Декабря, 2009 в 11:27 Жалоба Поделиться Опубликовано 19 Декабря, 2009 в 11:27 (изменено) микруха питается до 16В согласно статье. Потом наверное умирает. 12В с выпрямителем это почти 17В. Конечно,1-2В падают на диодах,но все таки это плохо. После выпрямителя неплохо бы кондер..Можно поробовать поставить стабилизатор 7812 или 7912, возможно прокатит 7815/7915 ,всем этим микросхемкам соответствуют аналогичные русские КРЕН. Элементы,которые ты не стал ставить,являлись ключом для включенипя усилителя при подаче на MUTE 8-12В. Как ведет себя эта фунция активации без них,я не знаю. Может,все таки стоит собрать этот ключ.. Аналоги тех транзисторов BC238C КТ3102В BC308B КТ3107Д, ДМ Довольно таки нередкие и не дорогие наши транзисторы. Посмотрел даташит,максимальное напряжение питания микросхемы 18В,умереть не должна значит. Изменено 19 Декабря, 2009 в 11:30 пользователем neyalm Ссылка на комментарий Поделиться на другие сайты Поделиться
Гость neyalm Опубликовано 19 Декабря, 2009 в 11:46 Жалоба Поделиться Опубликовано 19 Декабря, 2009 в 11:46 Юрий,я о том же. В даташите от второй ноги к массе идет кондер 22мкФ и параллельно ему выключатель,кажется нормально разомкнутый. То есть если между ворой ногой и массой есть емкость,он поет, а если вторая нога соединена с амассой, он молчит? Также сказано,что увеличение этой емкости увеличивает SVR и время задержки включения. Что такое SVR? Ссылка на комментарий Поделиться на другие сайты Поделиться
Рекомендуемые сообщения
Для публикации сообщений создайте учётную запись или авторизуйтесь
Вы должны быть пользователем, чтобы оставить комментарий
Создать учетную запись
Зарегистрируйте новую учётную запись в нашем сообществе. Это очень просто!
Регистрация нового пользователяВойти
Уже есть аккаунт? Войти в систему.
Войти