Гость dshvorov Опубликовано 29 Октября, 2009 в 11:34 Жалоба Поделиться Опубликовано 29 Октября, 2009 в 11:34 (изменено) Доброго времени суток! Наткнулся на схему на TDA8920, не могу понять что это - BJ или BTH. Вообще не одна не подходит под включение по схеме. Помогите! Или это какой-то особый вариан??? :smile: Изменено 29 Октября, 2009 в 11:34 пользователем dshvorov Ссылка на комментарий Поделиться на другие сайты Поделиться
Гость error Опубликовано 11 Декабря, 2009 в 13:13 Жалоба Поделиться Опубликовано 11 Декабря, 2009 в 13:13 (изменено) Описание TDA8920 можно найти в Нете. А вот как понять ПОС в обоих каскадах на А1.1 и А1.2 ????? :smile: Если уж TL-ку не смогли правильно подключить, что подключать ТДАху по их схеме я бы не рискнул. :smile: Изменено 11 Декабря, 2009 в 13:15 пользователем error Ссылка на комментарий Поделиться на другие сайты Поделиться
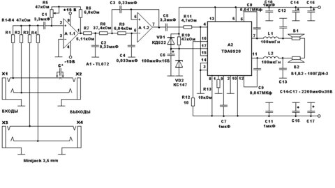
Datagor Опубликовано 11 Декабря, 2009 в 13:37 Жалоба Поделиться Опубликовано 11 Декабря, 2009 в 13:37 Это известная схема из РадиоХобби Н. Сухова - жесткий активный саб. На TL-ке собран фильтр, слева входы-выходы для подключения активных сателитов. А вот как понять ПОС в обоих каскадах на А1.1 и А1.2 ?????Понять просто - кто-то косорукий перерисовал неправильно. Вот верная схема, из РадиоХобби №2/2000. Угощайтесь статьёй, две странички: rh200_50.djvu rh200_51.djvu Ссылка на комментарий Поделиться на другие сайты Поделиться
Гость dshvorov Опубликовано 11 Января, 2010 в 08:07 Жалоба Поделиться Опубликовано 11 Января, 2010 в 08:07 (изменено) Так получается в РадиоХобби №2/2000 тоже не верное подключение микросхемы. И чего его на 4 ома мостом не подключить? Изменено 11 Января, 2010 в 08:18 пользователем dshvorov Ссылка на комментарий Поделиться на другие сайты Поделиться
Datagor Опубликовано 11 Января, 2010 в 15:30 Жалоба Поделиться Опубликовано 11 Января, 2010 в 15:30 В статье не BJ. BJ вроде вот.Ноги те что в скобках.Почему вроде, сам не пробовал, лапы не доходят, лежат уже год. Хиппо, зачем пудрите моск себе и доброму народу Датагории? :smile: Смотрите схему на верху или в статье. Какой чип применен? Ага, И НЕ "B" И НЕ "BJ"!!! А ПРОСТО TDA8920!!! Это ТРИ разных корпуса и нам конечно будет удобнее всего SOT243-1 (стр. 12 прикрепленного даташита), т.е. TDA8920(J). А вот правильный дадашит: TDA8920.PDF Так получается в РадиоХобби №2/2000 тоже не верное подключение микросхемы. И чего его на 4 ома мостом не подключить? Конечно нет. Читайте статью, там всё отлично расписано. В статье РадиоХобби УКАЗАНО ПРАВИЛЬНОЕ ВКЛЮЧЕНИЕ ПРАВИЛЬНОЙ МИКРОСХЕМЫ!!! TDA8920 без буквы "В". Все ноги соответствуют даташитной схеме: Ссылка на комментарий Поделиться на другие сайты Поделиться
Гость dshvorov Опубликовано 11 Января, 2010 в 17:47 Жалоба Поделиться Опубликовано 11 Января, 2010 в 17:47 Да уже сам разобрался, прошу прощения! Ссылка на комментарий Поделиться на другие сайты Поделиться
Datagor Опубликовано 12 Января, 2010 в 00:36 Жалоба Поделиться Опубликовано 12 Января, 2010 в 00:36 Если соберете - поделитесь с нами фотками и впечатлениями по запуску, работе и т.п. Спасибо! Ссылка на комментарий Поделиться на другие сайты Поделиться
Гость dshvorov Опубликовано 12 Января, 2010 в 01:38 Жалоба Поделиться Опубликовано 12 Января, 2010 в 01:38 Ну если у нас такую найду, то конечно поделюсь!!! Ссылка на комментарий Поделиться на другие сайты Поделиться
Гость dshvorov Опубликовано 12 Января, 2010 в 05:32 Жалоба Поделиться Опубликовано 12 Января, 2010 в 05:32 Нет таких в Барнауле, есть только Tda8920bj - и нигде не могу печатку найти, самому рисовать очень тяжко. А может соберусь с силами и все-таки набросаю что-нибудь. Если есть желание - помогите, буду очень признателен. Ссылка на комментарий Поделиться на другие сайты Поделиться
Гость adishis Опубликовано 18 Января, 2010 в 08:20 Жалоба Поделиться Опубликовано 18 Января, 2010 в 08:20 (изменено) С пол года назад я собирал на 8920, только даташитами я что то не пойму. Представленная Игорем даташит от 1998 года, я собирал по даташиту 2002 года в нем обвеса больше :smile: Я не могу загрузить даташит , весит ~700 kb печатки могу выложить... там и в мост и стерео Изменено 18 Января, 2010 в 08:23 пользователем adishis Ссылка на комментарий Поделиться на другие сайты Поделиться
Гость dshvorov Опубликовано 18 Января, 2010 в 08:27 Жалоба Поделиться Опубликовано 18 Января, 2010 в 08:27 Нужна печать именно для индексов BJ т.е. которая не поверхностная, если есть выложите, плиз. Ссылка на комментарий Поделиться на другие сайты Поделиться
Гость adishis Опубликовано 18 Января, 2010 в 10:01 Жалоба Поделиться Опубликовано 18 Января, 2010 в 10:01 Нужна печать именно для индексов BJ т.е. которая не поверхностная, если есть выложите, плиз. У меня повехностная только.... Ссылка на комментарий Поделиться на другие сайты Поделиться
Рекомендуемые сообщения
Для публикации сообщений создайте учётную запись или авторизуйтесь
Вы должны быть пользователем, чтобы оставить комментарий
Создать учетную запись
Зарегистрируйте новую учётную запись в нашем сообществе. Это очень просто!
Регистрация нового пользователяВойти
Уже есть аккаунт? Войти в систему.
Войти