serge1981 Опубликовано 28 Октября, 2009 в 14:46 Жалоба Поделиться Опубликовано 28 Октября, 2009 в 14:46 Значит можно и каждый комбик микрофоном усилить и на свою колонку? Нафига их усиливать?? Я вообще не понимаю народ, который на реп. точке пользует двухсот-и более комбари и усилители... Зачем?!! Когда и так всё слышно??? А вот усил я бы посоветовал самый простой, на какой-нибудь ТДА-ахе.... Или купить в магазе готовый блок и всё... Ссылка на комментарий Поделиться на другие сайты Поделиться
Гость metalheart Опубликовано 28 Октября, 2009 в 14:58 Жалоба Поделиться Опубликовано 28 Октября, 2009 в 14:58 А вот усил я бы посоветовал самый простой, на какой-нибудь ТДА-ахе.... Это точно, за крутостью усилителя тут гнаться не стоит. Где вся беда в звуке, я уже писал. Ссылка на комментарий Поделиться на другие сайты Поделиться
Гость rubenlukin Опубликовано 28 Октября, 2009 в 15:30 Жалоба Поделиться Опубликовано 28 Октября, 2009 в 15:30 Я вообще не понимаю народ, который на реп. точке пользует двухсот-и более комбари и усилители... Зачем?!!Смотря что играть :smile: Ссылка на комментарий Поделиться на другие сайты Поделиться
Гость vesljar Опубликовано 28 Октября, 2009 в 17:50 Жалоба Поделиться Опубликовано 28 Октября, 2009 в 17:50 тут речь идет не о 30-50 ватах а о 100 и больше!!!! какие ТДАхи... есть одна схеми до 200 вт на двух 2030 и четирех кт818 819 гм Ссылка на комментарий Поделиться на другие сайты Поделиться
Гость -=sm()ke=- Опубликовано 28 Октября, 2009 в 21:24 Жалоба Поделиться Опубликовано 28 Октября, 2009 в 21:24 На дарлингтоны давить надо, камрады. Побывал я тут недавно в местном Hi-End салоне, послушал Onkyo. Они в последнее время в своих флагманских ресиверах используют дарлингтоны на выхлоп. И мощща большая, и схема простая (судя по размеру плат) и качество на высоте.. Ссылка на комментарий Поделиться на другие сайты Поделиться
Гость vesljar Опубликовано 28 Октября, 2009 в 21:29 Жалоба Поделиться Опубликовано 28 Октября, 2009 в 21:29 ето а схемку или статью о етом звере можна? Ссылка на комментарий Поделиться на другие сайты Поделиться
Гость metalheart Опубликовано 29 Октября, 2009 в 18:17 Жалоба Поделиться Опубликовано 29 Октября, 2009 в 18:17 Убейти меня, но не понимаю я, зачем 100 и более ватт нужно в гараж.. Ну и надо определиться, в конце концов, для мощи собираем или для качества Hi-End. Не сводить же с этим усилителем.. Ссылка на комментарий Поделиться на другие сайты Поделиться
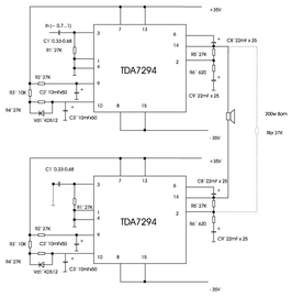
Гость alex2-0 Опубликовано 29 Октября, 2009 в 18:43 Жалоба Поделиться Опубликовано 29 Октября, 2009 в 18:43 На TDA2030 и 818, 819 несоветую, собирал звук мне непонравился, да и греется это всё неслабо. Можно TDA7294 две в мост соеденить 200 ватт на 8 ом, такой у меня до сих пор работает, для него главное хороший мощный БП и радиаторы побольше :smile: Ссылка на комментарий Поделиться на другие сайты Поделиться
Гость vesljar Опубликовано 29 Октября, 2009 в 18:47 Жалоба Поделиться Опубликовано 29 Октября, 2009 в 18:47 (изменено) 7294... а поконкретней можна схему посмотреть? а то я их пересмотрел уйму я вообще надеялся чото на полифих увидеть ))) говорят звучат класно насчот зачем так много в гараже... я просто вирос из того что звука мало 50-100вт ти его с микрухи витягуеш... или транзюками набирать да и потом у нас гараж не маленький )) есть где конем погулять)) я хочу собрать мощьний хай-енд)) Изменено 29 Октября, 2009 в 18:57 пользователем vesljar Ссылка на комментарий Поделиться на другие сайты Поделиться
Гость hummer Опубликовано 29 Октября, 2009 в 21:03 Жалоба Поделиться Опубликовано 29 Октября, 2009 в 21:03 Из практики могу сказать,что при игре с акустическими барабасами для внятного и разборчивого звука нужно минимум 100 ватей и это только на гитарные усилители, на басовые нужно поболе- 150-200 на голос столькоже, даже при этом условии барабанер несколько будет теряться,поэтому ему либо наушники с подзвучкой происходящего нужны либо под жёппу ват 100 с темже,что в ушах))) ну на худой конец прийдётццо барабанера наказать и развернуть моськой к стене для экономии аппаратуры))) Ссылка на комментарий Поделиться на другие сайты Поделиться
Гость vesljar Опубликовано 29 Октября, 2009 в 21:39 Жалоба Поделиться Опубликовано 29 Октября, 2009 в 21:39 дик а чо за уселители использивать? Ссылка на комментарий Поделиться на другие сайты Поделиться
Гость alex2-0 Опубликовано 30 Октября, 2009 в 06:17 Жалоба Поделиться Опубликовано 30 Октября, 2009 в 06:17 Вот схема Ссылка на комментарий Поделиться на другие сайты Поделиться
Рекомендуемые сообщения