игорь джан Опубликовано 5 Августа, 2025 в 12:31 Жалоба Поделиться Опубликовано 5 Августа, 2025 в 12:31 Всем доброго! Не нахожу даташит на эту ШИМ. Прошу помощи! Ссылка на комментарий Поделиться на другие сайты Поделиться
Maroc Опубликовано 5 Августа, 2025 в 13:14 Жалоба Поделиться Опубликовано 5 Августа, 2025 в 13:14 Доброго! У Вашей микросхемы все восемь ног задействованы в схеме? Ссылка на комментарий Поделиться на другие сайты Поделиться
игорь джан Опубликовано 5 Августа, 2025 в 14:23 Автор Жалоба Поделиться Опубликовано 5 Августа, 2025 в 14:23 Да, все. Ссылка на комментарий Поделиться на другие сайты Поделиться
игорь джан Опубликовано 5 Августа, 2025 в 17:56 Автор Жалоба Поделиться Опубликовано 5 Августа, 2025 в 17:56 Оно: https://www.rom.by/files/at3263.pdf Ссылка на комментарий Поделиться на другие сайты Поделиться
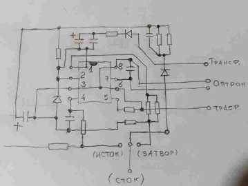
игорь джан Опубликовано 5 Августа, 2025 в 19:07 Автор Жалоба Поделиться Опубликовано 5 Августа, 2025 в 19:07 3-я и 6-я нога пустышки? Ссылка на комментарий Поделиться на другие сайты Поделиться
Maroc Опубликовано 6 Августа, 2025 в 05:27 Жалоба Поделиться Опубликовано 6 Августа, 2025 в 05:27 Первая моя мысль была, что сабж — это 3263 от другого производителя. И какие-то 2 ноги — пустышки, либо в параллель другим. Проверить эту мысль можно, сопоставив Вашу плату и ДШ на 3263. Ссылка на комментарий Поделиться на другие сайты Поделиться
Lexter Опубликовано 6 Августа, 2025 в 12:03 Жалоба Поделиться Опубликовано 6 Августа, 2025 в 12:03 В даташите по ссылке выше 3 и 6 ноги у корпуса DIP не используются. На фото платы они подключены к GND (вывод 8 - GND), и это нормально. В этом даташите ничего не сказано, но во многих даташитах прямо указано, что неподключённые выводы рекомендуется соединять с GND для снижения уровня наводок на кристалл. Ссылка на комментарий Поделиться на другие сайты Поделиться
игорь джан Опубликовано 7 Августа, 2025 в 12:23 Автор Жалоба Поделиться Опубликовано 7 Августа, 2025 в 12:23 (изменено) Если правильно разобрался, снимал со 2-й ноги относительно минуса - напряжение скачет 10-14в. Первичку проверил, вроде все деталюхи целы. Во вторичке был взорван электролит и заменён. На выходе 12в-го БП около 2в. Изменено 7 Августа, 2025 в 12:29 пользователем игорь джан Ссылка на комментарий Поделиться на другие сайты Поделиться
Maroc Опубликовано 7 Августа, 2025 в 13:24 Жалоба Поделиться Опубликовано 7 Августа, 2025 в 13:24 Так схема Вашей платы совпадает с ДШ at3263? Если не совпадает, то каковы различия? Ссылка на комментарий Поделиться на другие сайты Поделиться
игорь джан Опубликовано 7 Августа, 2025 в 14:45 Автор Жалоба Поделиться Опубликовано 7 Августа, 2025 в 14:45 (изменено) В 07.08.2025 в 16:24, Maroc сказал: Так схема Вашей платы совпадает с ДШ at3263? Из меня ещё тот читальщик схем но вроде совпадает. 1. через резистор и диод не затвор мосфета 2. через диод на минус входного конденсатора 3; 6; 8 - земля 4. через резистор на исток мосфета 5. через резистор на транс 7. на оптрон Изменено 7 Августа, 2025 в 14:51 пользователем игорь джан Ссылка на комментарий Поделиться на другие сайты Поделиться
Maroc Опубликовано 8 Августа, 2025 в 06:11 Жалоба Поделиться Опубликовано 8 Августа, 2025 в 06:11 Возможно, невнимательно посмотрели? Согласно ДШ на выв. 2 должен подаваться "+". На выв. 5 - частотозадающий резистор, заземленный вторым выводом. Срисуйте схему повнимательнее, плз. В 07.08.2025 в 16:23, игорь джан сказал: снимал со 2-й ноги относительно минуса - напряжение скачет 10-14в Вероятно, это свидетельство попыток ШИМ запуститься. При достижении на входе VDD напряжения 14 V микросхема запускает процесс генерации импульсов. Дальнейшая подача питания происходит выпрямлением напряжения с обмотки импульсного трансформатора. Если по каким-либо причинам напряжение питания на входе VDD падает ниже 9 V контроллер прекращает генерацию импульсов на выходе и возобновляет ее только при увеличении напряжения до 14 V. (https://antenna-dvb-t2.ru/show_contr.php?id=33) Осциллограф есть? Посмотреть, что на выходе Gate. Ссылка на комментарий Поделиться на другие сайты Поделиться
игорь джан Опубликовано 8 Августа, 2025 в 09:06 Автор Жалоба Поделиться Опубликовано 8 Августа, 2025 в 09:06 В 08.08.2025 в 09:11, Maroc сказал: Согласно ДШ на выв. 2 должен подаваться "+". Всё верно, не посмотрел проводимость диода, сидит на + В 08.08.2025 в 09:11, Maroc сказал: Осциллограф есть? Нет такой радости, я же не ремонтник, а тока учусь Ссылка на комментарий Поделиться на другие сайты Поделиться
Рекомендуемые сообщения
Для публикации сообщений создайте учётную запись или авторизуйтесь
Вы должны быть пользователем, чтобы оставить комментарий
Создать учетную запись
Зарегистрируйте новую учётную запись в нашем сообществе. Это очень просто!
Регистрация нового пользователяВойти
Уже есть аккаунт? Войти в систему.
Войти