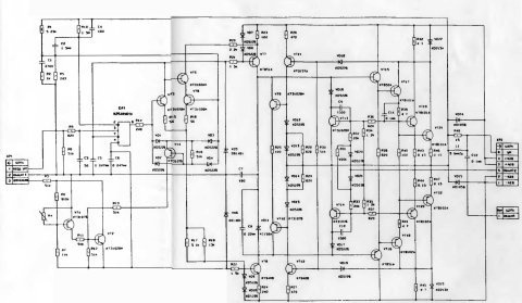
Lakki Опубликовано 16 Марта, 2025 в 02:56 Жалоба Поделиться Опубликовано 16 Марта, 2025 в 02:56 Приветствую! Нужна ваша помощь не могу разобраться почему может греться транзистор VT5 в этом аппарате. Схему приложил. Пробовал ставить VT5 в металле, правда с буквой Б (в металле с А у меня нет) раскаляется градусов до 60. В пластике КТ3102A, то же самое греется. Пробовал менять КУ этого транзистора все равно греется. Почему? Куда смотреть что искать? Какие режимы и где измерить? Усилитель работает нормально за исключением этого транзистора. Там наверное не спроста стоит КТ3102 с буквой А. Ставить пробовал транзистор КТ3102А с КУ по приборам 163. Так же пробовал ставить больше КТ3102Б,В, с КУ = 200 - 400 все равно греется. Из твиков(модернизаций): 1 - Стоит ОУ в металле 544УД1 и поднято напряжение её питания, так как пробовал ставить 574УД1, не завелась возбуждается. Напряжение питания так и оставил +/-12 V, но транзистор грелся и до переделки так что увеличенное питание не влияет было кстати +/-10V, так оставлю хуже не будет. 2 - все транзисторы КТ3102 с буквой Б в металле. Так как аппарат был подпаленный, заменил все на металл. Все остальное без изменений, в соответствии со схемой. Соседний канал в живой транзистор VT5 холодный. Что искать? Ссылка на комментарий Поделиться на другие сайты Поделиться
Lakki Опубликовано 17 Марта, 2025 в 23:07 Автор Жалоба Поделиться Опубликовано 17 Марта, 2025 в 23:07 (изменено) Вот что за пЁс закрался на место R16. Изменено 17 Марта, 2025 в 23:08 пользователем Lakki Ссылка на комментарий Поделиться на другие сайты Поделиться
Lexter Опубликовано 18 Марта, 2025 в 22:28 Жалоба Поделиться Опубликовано 18 Марта, 2025 в 22:28 То есть неисправность устранена? Ссылка на комментарий Поделиться на другие сайты Поделиться
Рекомендуемые сообщения
Для публикации сообщений создайте учётную запись или авторизуйтесь
Вы должны быть пользователем, чтобы оставить комментарий
Создать учетную запись
Зарегистрируйте новую учётную запись в нашем сообществе. Это очень просто!
Регистрация нового пользователяВойти
Уже есть аккаунт? Войти в систему.
Войти