Lexter Опубликовано 3 Марта, 2018 в 11:48 Жалоба Поделиться Опубликовано 3 Марта, 2018 в 11:48 ... ну не знаю ...Проще подождать, что Евгений скажет. Тем более, что он говорил... Q417 - исправен ... Ссылка на комментарий Поделиться на другие сайты Поделиться
Гость Опубликовано 4 Марта, 2018 в 08:23 Жалоба Поделиться Опубликовано 4 Марта, 2018 в 08:23 (изменено) Проще подождать, что Евгений скажет. Тем более, что он говорил Проверил по методике, предложенной Сергеем (Москва). В точке "4" - 0В при любом положении переменного резистора (правда на 500Ом) на обеих контактах на микросхемы. А я разглядывал - разглядывал, и понял так, что там накорябано 40,3... Как раз разница 0,6В получается. ... Хотя с таким же успехом можно прочитать, что там 49,5. :smile: А я разглядывал - разглядывал, и понял так, что там накорябано 40,3... Как раз разница 0,6В получается. ... Хотя с таким же успехом можно прочитать, что там 49,5. :smile: А я разглядывал - разглядывал, и понял так, что там накорябано 40,3... Как раз разница 0,6В получается. ... Хотя с таким же успехом можно прочитать, что там 49,5. :smile: Q417: Ue=42.3V, Ub=39.4V, Uc=40.1V Изменено 4 Марта, 2018 в 08:23 пользователем Гость Ссылка на комментарий Поделиться на другие сайты Поделиться
Lexter Опубликовано 4 Марта, 2018 в 10:32 Жалоба Поделиться Опубликовано 4 Марта, 2018 в 10:32 ... Q417: Ue=42.3V, Ub=39.4V ...ТРИ вольта Б-Э? Даже в глубоком насыщении больше 1,9В на переходе Б-Э не должно получаться. Это же просто P-N перход. Диод. Вряд ли Q417 при таком напряжении остался бы цел. Но если вы проверили его отдельно, то скорее всего что-то не так с монтажём. Непропай, микротрещина? Попробуйте замерить непосредственно на выводах транзистора. Ссылка на комментарий Поделиться на другие сайты Поделиться
Гость Опубликовано 7 Марта, 2018 в 07:27 Жалоба Поделиться Опубликовано 7 Марта, 2018 в 07:27 ТРИ вольта Б-Э? Даже в глубоком насыщении больше 1,9В на переходе Б-Э не должно получаться. Это же просто P-N перход. Диод. Вряд ли Q417 при таком напряжении остался бы цел. Но если вы проверили его отдельно, то скорее всего что-то не так с монтажём. Непропай, микротрещина? Попробуйте замерить непосредственно на выводах транзистора. На выводах Q417 и мерял, как до выпаивания так и после. Ссылка на комментарий Поделиться на другие сайты Поделиться
Lexter Опубликовано 7 Марта, 2018 в 13:21 Жалоба Поделиться Опубликовано 7 Марта, 2018 в 13:21 ... На выводах Q417 и мерял ...Значит либо он битый, либо "цоколёвку" попутали. Ссылка на комментарий Поделиться на другие сайты Поделиться
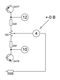
Arcev Опубликовано 7 Марта, 2018 в 18:27 Жалоба Поделиться Опубликовано 7 Марта, 2018 в 18:27 (изменено) еще подкину ... В точке "4" - 0В при любом положении переменного резистора (правда на 500Ом) на обеих контактах на микросхемы. ... значит Q419 (или Q420 , просто не знаю какой кусок схемы проверялся ) тоже вылетел зы Евгений, в Вашем случае , проще поменять все транзисторы на новые Изменено 7 Марта, 2018 в 18:28 пользователем arcev Ссылка на комментарий Поделиться на другие сайты Поделиться
Гость Опубликовано 11 Марта, 2018 в 05:28 Жалоба Поделиться Опубликовано 11 Марта, 2018 в 05:28 Значит либо он битый, либо "цоколёвку" попутали. Нет, не битый. Впаян как положено. еще подкину значит Q419 (или Q420 , просто не знаю какой кусок схемы проверялся ) тоже вылетел зы Евгений, в Вашем случае , проще поменять все транзисторы на новые проверялась обвязка м/сх IC401. Поменять транзисторы конечно можно, но они рабочие..... Ссылка на комментарий Поделиться на другие сайты Поделиться
Гость Опубликовано 21 Марта, 2018 в 06:40 Жалоба Поделиться Опубликовано 21 Марта, 2018 в 06:40 Всё выглядит исправным. Просто транзисторы верхней части схемы открыты, а нижней - закрыты. Это нормально, так как без микросхем обратная связь по постоянному току не замкнута. Впаял микросхему (на IC401), питание через R240 (2W), - резисторы сильно греются.... Ссылка на комментарий Поделиться на другие сайты Поделиться
Lexter Опубликовано 21 Марта, 2018 в 14:23 Жалоба Поделиться Опубликовано 21 Марта, 2018 в 14:23 ... резисторы сильно греются ...Мгновенно до дыма, что не успеваете ничего померить? Ссылка на комментарий Поделиться на другие сайты Поделиться
Arcev Опубликовано 22 Марта, 2018 в 03:30 Жалоба Поделиться Опубликовано 22 Марта, 2018 в 03:30 ... Ребята! не занимайтесь самолечением, идите к доктору нужному специалисту... он вылечит!!! ... Ссылка на комментарий Поделиться на другие сайты Поделиться
Гость Опубликовано 22 Марта, 2018 в 13:36 Жалоба Поделиться Опубликовано 22 Марта, 2018 в 13:36 Мгновенно до дыма, что не успеваете ничего померить? Отчего-же, успел померить, по точкам: 1 - +42,2В; 2 - 0В; 3, 4 - 0В; 10 - -2,19В; 12 - 7,75В. Ссылка на комментарий Поделиться на другие сайты Поделиться
Lexter Опубликовано 22 Марта, 2018 в 14:27 Жалоба Поделиться Опубликовано 22 Марта, 2018 в 14:27 ... по точкам: 1 -... 2 -... 3 - ...Вы бы ещё координаты на чертеже указали, где измерено. :smile: Ссылка на комментарий Поделиться на другие сайты Поделиться
Рекомендуемые сообщения
Для публикации сообщений создайте учётную запись или авторизуйтесь
Вы должны быть пользователем, чтобы оставить комментарий
Создать учетную запись
Зарегистрируйте новую учётную запись в нашем сообществе. Это очень просто!
Регистрация нового пользователяВойти
Уже есть аккаунт? Войти в систему.
Войти