Гость miha_zah Опубликовано 2 Сентября, 2017 в 10:34 Жалоба Поделиться Опубликовано 2 Сентября, 2017 в 10:34 Добрый день, уважаемые форумчане! Попал мне в руки ресивер Пионер, а точнее его корпус с передними "крутилками", внутри трансформатор, огроменный радиатор и кое какие платы от него. Появилась мысль сделать из него 2 стереоусилителя в одном корпусе из ТДА7294 и ЛМ3886. Платки усилителей спаяны и проверены давно, софт-старт тоже уже есть. Особенностью такого усилителя дб функция выбора микросхем, т.е захотелось послушать ТДА - переключил тумблер и работают ТДА, захотелось послушать как звучат ЛМ и сравнить их звучание с ТДА - пожалуйста, переключаем на ЛМ и теперь работают ЛМ. Темброблок не нужен, нужен только регулятор громкости, причем на корпусе имеются в абсолютно одинаковые "крутилки", одна управляла общей громкостью ресивера, другая селектор выбора входного сигнала. На данный момент столкнулся с проблемой питания - трансформатор выдает больше, чем 2*40В переменного напряжения, такое напряжение питания для микросхемных усилителей не подойдет, его нужно как-то уменьшать, предполагаю, необходимо делать мощный стабализатор. Дальше пока не представляю как делать переключение между усилителями - нужно коммутировать только вход или выход? Или и то и другое? Как правильно? Также пока не имею представление, как задействовать кнопку Stby хотелось бы ее задействовать, но она не силовая( Прошу поделиться мыслями кто неравнодушен к вышеописанному, заранее благодарен откликнувшимся! Ссылка на комментарий Поделиться на другие сайты Поделиться
andrew_spb Опубликовано 2 Сентября, 2017 в 12:20 Жалоба Поделиться Опубликовано 2 Сентября, 2017 в 12:20 ИМХО, в ресиверах трансформатор самое "странное" место. У него очень интересная нагрузочная кривая - сравните сколько он выдает под нагрузкой и без нее - сделайте выводы. ИМС могут такого не пережить.... 1 Ссылка на комментарий Поделиться на другие сайты Поделиться
Гость miha_zah Опубликовано 2 Сентября, 2017 в 13:52 Жалоба Поделиться Опубликовано 2 Сентября, 2017 в 13:52 (изменено) Андрей, это так... Суммарная, заявленная, номинальная мощность - "полкило"..., а транс и на 300 ватт не тянет..., маркетинг... Вы же не будете слушать ЭТО на полную мощь (5 * 100) в условиях квартиры...?! А на "половинной громкости" всё нормально..., даже запас есть (для пьяных...)... :biggrin: Трансформатор в нем 260W, для микросхемного стереоусилителя 30-50 Вт более чем достаточно, к тому же, еще ведь стабилизатор нужно будет делать... Вопрос как его сделать чтобы напряжение было подходящим для микросхем? Давно уже имею такой ресивер, в принципе не плохой, все усилители, а их там пять, на дискретных элементах..., входов "туева хуча" , я "пожёг" тройку, по неосторожности... :sad: ... А нет желания восстановить в первозданном виде, без интегральных мс/сх. , "эстэкашек" и "тэдэашек"... ??? Если будете переделывать, то держитесь схемотехники и монтажа SONY (!!!???)... , "Сонька" правда "поет"..., проверенно и прослушанно... Восстанавливать не получится, потому как мне досталось лишь несколько плат от него внутри, плата УМ и еще пару мелких... Изменено 2 Сентября, 2017 в 13:50 пользователем miha_zah Ссылка на комментарий Поделиться на другие сайты Поделиться
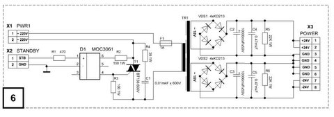
bedjamen Опубликовано 2 Сентября, 2017 в 16:32 Жалоба Поделиться Опубликовано 2 Сентября, 2017 в 16:32 ... как задействовать кнопку Stby хотелось бы ее задействовать, ... Вот схемка, как задействовать эту кнопку 2 Ссылка на комментарий Поделиться на другие сайты Поделиться
Гость miha_zah Опубликовано 2 Сентября, 2017 в 17:47 Жалоба Поделиться Опубликовано 2 Сентября, 2017 в 17:47 Вот схемка, как задействовать эту кнопку Спасибо! Дельный совет! Ссылка на комментарий Поделиться на другие сайты Поделиться
Sergiy_83 Опубликовано 2 Сентября, 2017 в 18:30 Жалоба Поделиться Опубликовано 2 Сентября, 2017 в 18:30 Только перед тем как выключать трансформатор надо усилители ввести в режим stand by, у обоих микросхем есть специальные входы, это исключит различные переходные процесы при снятии питания. 1 Ссылка на комментарий Поделиться на другие сайты Поделиться
logvoleg Опубликовано 7 Сентября, 2017 в 05:29 Жалоба Поделиться Опубликовано 7 Сентября, 2017 в 05:29 VOL-UP/VOL-DN INPUT-UP/INPUT-DN а там вообще аналоговые регуляторы/переключатели? Я подозреваю что там энкодеры стоят... И все совсем не так просто будет... :) Михаил вы тестером сядьте на выводы, ручки покрутите и результаты озвучьте... Ссылка на комментарий Поделиться на другие сайты Поделиться
Рекомендуемые сообщения
Для публикации сообщений создайте учётную запись или авторизуйтесь
Вы должны быть пользователем, чтобы оставить комментарий
Создать учетную запись
Зарегистрируйте новую учётную запись в нашем сообществе. Это очень просто!
Регистрация нового пользователяВойти
Уже есть аккаунт? Войти в систему.
Войти