Перейти к содержанию

Схема педали Лель ЦЗ в хорошем качестве


Рекомендуемые сообщения

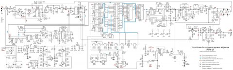
Не так давно появилась вот такая педалька у меня. Ну и что-то не так с ней......

 

Озадачился поиском схемы.... - и не нашёл. Вернее - есть схемы в инете. Но такого качества..... - что разобраться трудно.

Из-за низкого качества печати на бумаге самой схемы.

 

На одном из тематических форумов нашёлся добрый человек который занялся вплотную этим вопросом. И в результате вот такая схемка вышла у него. Просто супер.

С такой и работать приятно.... И в архив положить можно. Потомкам.....

 

post-1-0-81244000-1500362268_thumb.jpg

  • Я с тобой! 1
Ссылка на комментарий
Поделиться на другие сайты

Для публикации сообщений создайте учётную запись или авторизуйтесь

Вы должны быть пользователем, чтобы оставить комментарий

Создать учетную запись

Зарегистрируйте новую учётную запись в нашем сообществе. Это очень просто!

Регистрация нового пользователя

Войти

Уже есть аккаунт? Войти в систему.

Войти
  • Последние посетители   0 пользователей онлайн

    • Ни одного зарегистрированного пользователя не просматривает данную страницу
×
×
  • Создать...