Гость vas Опубликовано 19 Февраля, 2017 в 14:35 Жалоба Поделиться Опубликовано 19 Февраля, 2017 в 14:35 Приобрел пару китайских адаптеров для домашних нужд,но китайцы слукавили: адаптеры с трудом дают пол-ампера ,при этом греются до80 градусов (транс) и 70 градусов (ключ). 1. Установил демпферную цепочку, чем снизил U к ключа с 920 (как его не пробивало!?...) до 560 V и нагрев до 50 градусов. 2. Заменил резистор в цепи эмиттера ключа с 10 Ом до 6,8 Ом. -нагрузку 600 мА при 12 В стал держать, но температура ключа поднялась до 60 градусов. Подозреваю,что ключ греется в том числе и из-за "звона" с частотой около 8 МГГц, возникающего в начале появления тока ключа.(см . осциллограмму тока эмиттера). Природу "звона" не пойму и убрать не могу. Прошу помощи. Ссылка на комментарий Поделиться на другие сайты Поделиться
Lexter Опубликовано 19 Февраля, 2017 в 23:42 Жалоба Поделиться Опубликовано 19 Февраля, 2017 в 23:42 ... Природу "звона" не пойму и убрать не могу. ...Попробуйте поставить последовательно с базой Т1 резистор 10 - 50 Ом. 1 Ссылка на комментарий Поделиться на другие сайты Поделиться
Datagor Опубликовано 21 Февраля, 2017 в 17:49 Жалоба Поделиться Опубликовано 21 Февраля, 2017 в 17:49 Вениамин, пожалуйста отчитайтесь о результатах. У нас так принято. Ссылка на комментарий Поделиться на другие сайты Поделиться
Гость vas Опубликовано 22 Февраля, 2017 в 04:24 Жалоба Поделиться Опубликовано 22 Февраля, 2017 в 04:24 Вениамин, пожалуйста отчитайтесь о результатах. У нас так принято. Здравствуйте, Игорь. Сегодня вечерком посижу,проверю,отпишусь.Прошу прощения за задержку-нагрузка большая и здоровье подводит. Ссылка на комментарий Поделиться на другие сайты Поделиться
Datagor Опубликовано 22 Февраля, 2017 в 11:12 Жалоба Поделиться Опубликовано 22 Февраля, 2017 в 11:12 Да вы не подумайте, что я вменяю вам обязанность. Понятно, что всё делается добровольно и при наличии здоровья и времени. Я просто напомнил. Дальше - ваше дело. Ссылка на комментарий Поделиться на другие сайты Поделиться
Гость vas Опубликовано 22 Февраля, 2017 в 15:53 Жалоба Поделиться Опубликовано 22 Февраля, 2017 в 15:53 Попробуйте поставить последовательно с базой Т1 резистор 10 - 50 Ом. Для начала увеличил емкость конденсатора фильтра выпрямителя питающего напряжения до 10,0*400V. Установил резистор 43 Ом к базе ключа- результат не порадовал (см. вложение): 1. Увеличение базового резистора до 120 Ом приводит к еще большему искажению формы сигналов от периода к периоду,т.е. качественное открывание ключа происходит через период. 2.Уменьшение величины резистора приводит к предыдущему результату (см. осциллограмму в посте 1). document.pdf Ссылка на комментарий Поделиться на другие сайты Поделиться
Lexter Опубликовано 22 Февраля, 2017 в 16:34 Жалоба Поделиться Опубликовано 22 Февраля, 2017 в 16:34 ... Установил резистор 43 Ом к базе ключа- результат не порадовал ...Проверьте, не от подключения ли щупа осциллографа этот "звон". Такой же резистор 20-50 Ом подцепите последовательно с иглой щупа. Ссылка на комментарий Поделиться на другие сайты Поделиться
Гость vas Опубликовано 24 Февраля, 2017 в 19:13 Жалоба Поделиться Опубликовано 24 Февраля, 2017 в 19:13 Проверьте, не от подключения ли щупа осциллографа этот "звон". Такой же резистор 20-50 Ом подцепите последовательно с иглой щупа. Нет,не от щупа.Похоже на возбуждение за счет паразитной емкости транса. Пробовал параллельно первичке впаять резистор от 330К до 91 К ,чтобы увеличить затухание- тоже не помогает. Ссылка на комментарий Поделиться на другие сайты Поделиться
Lexter Опубликовано 25 Февраля, 2017 в 02:19 Жалоба Поделиться Опубликовано 25 Февраля, 2017 в 02:19 ... Нет,не от щупа. ...Если учесть, что и полную мощность невозможно снять, то похоже, транзистор ключа не может полностью открыться. Можно попробовать уменьшить номинал R4 и/или увеличить ёмкость C1.А может, просто транзистор попался с низким h21. Ссылка на комментарий Поделиться на другие сайты Поделиться
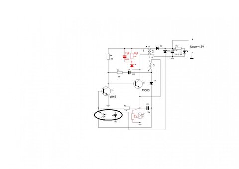
FOLKSDOICH Опубликовано 25 Февраля, 2017 в 08:06 Жалоба Поделиться Опубликовано 25 Февраля, 2017 в 08:06 У меня схемка нашлась. Присмотритесь. 1 Ссылка на комментарий Поделиться на другие сайты Поделиться
Гость vas Опубликовано 25 Февраля, 2017 в 14:44 Жалоба Поделиться Опубликовано 25 Февраля, 2017 в 14:44 Если учесть, что и полную мощность невозможно снять, то похоже, транзистор ключа не может полностью открыться. Можно попробовать уменьшить номинал R4 и/или увеличить ёмкость C1. А может, просто транзистор попался с низким h21. Спасибо,Николай, спасибо,Валерий( схема очень во время). R4 не помог,а вот увеличение C1 до 57 нф резко улучшило форму тока эмиттера (почти чистая "пила"). Максимально снимаю 8 Вт. Стабилизация работает,защита работает. Номиналы установленных элементов :C1 суммарно 57 нф,R1=6,8 Ом. Дальнейшее уменьшение R1 (для увеличения выходной мощности) считаю не целесообразным,т.к. уже при R1 = 6,8 Ом и токе нагрузки 0,7 А "пила"тока эмиттера резко лезет вверх,т.е,как мне думается, наступает насыщение сердечника трансформатора. Температура транса и ключа в длительном (более 10 мин) режиме -не более 50 градусов. (Второй адаптер вел себя аналогично первому,обсуждаемому- тоже внес изменения). Я удовлетворен результатом. Всем спасибо. Считаю, тему можно закрывать. Ссылка на комментарий Поделиться на другие сайты Поделиться
Рекомендуемые сообщения
Для публикации сообщений создайте учётную запись или авторизуйтесь
Вы должны быть пользователем, чтобы оставить комментарий
Создать учетную запись
Зарегистрируйте новую учётную запись в нашем сообществе. Это очень просто!
Регистрация нового пользователяВойти
Уже есть аккаунт? Войти в систему.
Войти