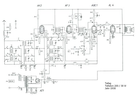
Гость lbp-810 Опубликовано 6 Февраля, 2017 в 20:46 Жалоба Поделиться Опубликовано 6 Февраля, 2017 в 20:46 Доброго времени суток. Восстанавливаю немецкий приемник 1938г. Есть две схемы по анодному напряжению. Описание найти не возможно. Два одинаковых но разных приемника. lorenz и tefag. Суть в чем, в нем покопались изрядно. По этим схемам при подключении анодное взлетает 510в. Да и схемы вроде одинаковые одинаковые кроме фильтров по аноду. Помогите разобраться чтобы получить 260в. Выход с транса 360в. со средней точкой. Ссылка на комментарий Поделиться на другие сайты Поделиться
TANk Опубликовано 7 Февраля, 2017 в 05:01 Жалоба Поделиться Опубликовано 7 Февраля, 2017 в 05:01 360 вольт действующего напряжения. Кенотрон и конденсатор после него поднимают это напряжение до амплитудного которое как раз и равно 360*SQRT(2)=509 вольт. Без нагрузки на выходе выпрямителя как раз и будет это напряжение. Все измениться под нагрузкой. Падение напряжения на внутреннем сопротивлении кенотрона, на дросселе, емкости фильтрующих конденсаторов маленькие - они тоже внесут вклад в снижение напряжения. Если хочется проверить БП под нагрузкой отдельно от схемы приемника, то надо подобрать нагрузку. Для прикида берем паспортные данные на использованные там лампы и суммируем рабочие токи. Добавляем для запаса процентов 20 сверху и ищем мощный постоянный резистор (электрическую лампочку) которые при напряжении порядка 260-280 вольт обеспечат рассчитанный ток. Ссылка на комментарий Поделиться на другие сайты Поделиться
Den101 Опубликовано 7 Февраля, 2017 в 16:37 Жалоба Поделиться Опубликовано 7 Февраля, 2017 в 16:37 А 360В на всей вторичке или между средней точкой и концом? Если первый случай, то выпрямитель должен выдавать 180*1,41=254В (примерно). А если второй случай, то возможно трансформатор включен первичкой на 110В (тогда я удивляюсь, как лампы еще целы). Нужно измерить напряжения на всех обмотках, тогда будет яснее. Мог конечно и я ошибиться, но для полумостовой схемы выпрямления вроде все так... Ссылка на комментарий Поделиться на другие сайты Поделиться
Гость lbp-810 Опубликовано 8 Февраля, 2017 в 19:11 Жалоба Поделиться Опубликовано 8 Февраля, 2017 в 19:11 спасибо за инфу Ссылка на комментарий Поделиться на другие сайты Поделиться
Гость lbp-810 Опубликовано 8 Февраля, 2017 в 19:20 Жалоба Поделиться Опубликовано 8 Февраля, 2017 в 19:20 Если б на 110 вольт то и накал был бы 8 вольт. Ссылка на комментарий Поделиться на другие сайты Поделиться
Gazotron Опубликовано 23 Сентября, 2017 в 19:06 Жалоба Поделиться Опубликовано 23 Сентября, 2017 в 19:06 Здравствуйте. Требуется в выпрямителе напряжения приёмника понизить выпрямленное? Ни вопрос, отпаиваем конец средней точки повышающей обмотки транса от земли и в этот разрыв ставим проволочный резистор типа ПЭВР. Собираем снова схему и с помощью резистора регулируем выпрямленное для приёмника. Ссылка на комментарий Поделиться на другие сайты Поделиться
Рекомендуемые сообщения
Для публикации сообщений создайте учётную запись или авторизуйтесь
Вы должны быть пользователем, чтобы оставить комментарий
Создать учетную запись
Зарегистрируйте новую учётную запись в нашем сообществе. Это очень просто!
Регистрация нового пользователяВойти
Уже есть аккаунт? Войти в систему.
Войти