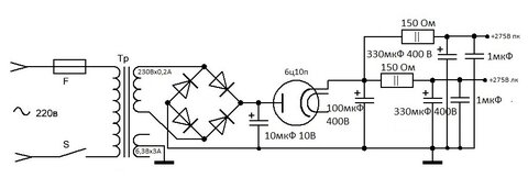
VadimM Опубликовано 23 Декабря, 2016 в 23:23 Жалоба Поделиться Опубликовано 23 Декабря, 2016 в 23:23 Доброго времени суток, уважаемые коллеги! Представляю данную тему, не претендуя на оригинальность и совершенство конструкции, дабы мой практический опыт и ваши советы помогли начинающим радиолюбителям. К сожалению, подвели наши китайские друзья со сроками доставки, придется представить конструкцию в незаконченном виде. Отсутствует защита лам – не самый важный элемент :) Схема получилось сборной солянкой из найденного в интернете и после, подобранного на слух. Возможно не все по «правилам», поэтому прошу гуру меня поправить. Собственно схема: Блок питания. Изначально попробовал использовать в нем дроссели Д14 не учтя значительного сопротивления этой детали. Падение напряжение составило около 40 В. Но надо сказать, что при их использовании фон был за пределами слышимости. Результат ли — это снижения усиления от низкого анодного или от необходимой индуктивности – оставляю для дискуссии специалистов. Я же просто перемкнул дроссели резисторами 200 Ом. Фон 50 Гц стал прослушиваться, если приложить ухо к колонке. Такой результат меня устроил. Тем не менее, я бы посоветовал использовать дроссели с более низким сопротивлением и такой же индуктивностью. 1 1 Ссылка на комментарий Поделиться на другие сайты Поделиться
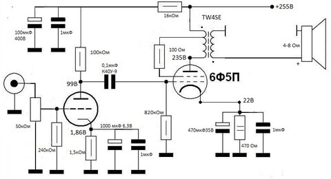
VadimM Опубликовано 23 Декабря, 2016 в 23:38 Автор Жалоба Поделиться Опубликовано 23 Декабря, 2016 в 23:38 Хочется заметить, что в блоке питания применен трансформатор со сл. характеристиками: 220V => (225 x 0.18А+ 2*(6.3V x 1.5А). Но при использовании трансформатора 220V => (230V x 0.3А) + 2*(6.3V x 1.8А) звучание было более масштабно. Сборка заняла пару выходных. На фото монтажа детали от детского конструктора возле выходных трансформаторов – электромагнитная защита от взаимных наводок. Паранойя это, или необходимость, прошу поправить меня специалистов. Настройка заняла более длительное время. В результате за неимением осциллографа и неумения пользоваться им могу привести только субъективные впечатления группы лиц в сравнении с моей предыдущей конструкции по схеме В. Пузанова на 6н9с и 6п13с Звук объёмный, мягкий, обволакивающий. Мощность до начала слышимых искажений около 3-х ват. Что с некотором избытком хватает для комфортного прослушивания в комнате 18 кв. м. на колонках с чувствительностью 90 Дб. со сложными фильтрами. В случае прослушивания на колонках с чувствительностью 94 Дб без фильтров, вполне можно устраивать домашнюю дискотеку. J Высокие частоты без каши, хотя многие и не жалуют разделительный к40у9. Низкие не столь глубоки, но оно и понятно, на сравниваемой конструкции они гораздо серьезней, тем не менее нельзя сказать, что низких частот не хватает. О выходных трансформаторах: Imax=50mA, Ra/Rn(6,3)=5K/4-8 Om, Kтр=40, f=60-25000 Гц. Ссылка на комментарий Поделиться на другие сайты Поделиться
VadimM Опубликовано 24 Декабря, 2016 в 08:55 Автор Жалоба Поделиться Опубликовано 24 Декабря, 2016 в 08:55 Фото: Ссылка на комментарий Поделиться на другие сайты Поделиться
TANk Опубликовано 24 Декабря, 2016 в 18:28 Жалоба Поделиться Опубликовано 24 Декабря, 2016 в 18:28 Поздравляю с законченной конструкцией. Это хорошо, что звук радует. Кенотрон в блоке питания, я так понял, выполняет роль устройства задержки анодного питания .для плавного старта? Конденсаторы 10 и 100μF стоящие перед и после кенотрона я бы поменял местами. Ссылка на комментарий Поделиться на другие сайты Поделиться
VadimM Опубликовано 24 Декабря, 2016 в 21:02 Автор Жалоба Поделиться Опубликовано 24 Декабря, 2016 в 21:02 Поздравляю с законченной конструкцией. Это хорошо, что звук радует. Кенотрон в блоке питания, я так понял, выполняет роль устройства задержки анодного питания .для плавного старта? Конденсаторы 10 и 100μF стоящие перед и после кенотрона я бы поменял местами. Спасибо, Александр! Вы правы, кенотрон именно для задержки анодного питания ну и в декоративных целях - светится красиво))). По поводу конденсаторов, я встречал схемы где конденсатор после диодного моста вообще отсутствует. Тем не мение Ваше предложение логично. Ссылка на комментарий Поделиться на другие сайты Поделиться
VadimM Опубликовано 1 Января, 2017 в 20:11 Автор Жалоба Поделиться Опубликовано 1 Января, 2017 в 20:11 С наступившим Новым 2017 годом, коллеги! К сожалению, один вопрос в этой теме остался без ответа. Попробую задать его еще раз. При размещении выходных трансформаторов на небольшом растоянии друг от друга имеет ли смысл разделить их пластинами из стали как на фото в этой теме? Ссылка на комментарий Поделиться на другие сайты Поделиться
TANk Опубликовано 1 Января, 2017 в 22:50 Жалоба Поделиться Опубликовано 1 Января, 2017 в 22:50 ... При размещении выходных трансформаторов на небольшом растоянии друг от друга имеет ли смысл разделить их пластинами из стали как на фото в этой теме? ... Между выходным и силовым это имело бы смысл. Между выходными, наверное нет. Самый простой способ проверить - вынимаем лампу из левого канала. Вместо колонки Правого канала ставим резистор (эквивалент нагрузки) и выкручиваем громкость. Если в колонке того канала, где нет лампы будет слышен звук, то можно попробовать поставить экран между трансформаторами. Если его не слышно, то и экран не нужен. Но судя по фото, в данном случае этот экран внешний вид не портит, Поэтому и работе усилителя не мешает. Так что пусть остается. Хуже не будет. Ссылка на комментарий Поделиться на другие сайты Поделиться
VadimM Опубликовано 2 Января, 2017 в 00:30 Автор Жалоба Поделиться Опубликовано 2 Января, 2017 в 00:30 Благодарю за ответ, Александр! Попробовал последовать Вашему совету - в каналах другой не прослушивается, в присутствии экранов и без них. Видимо действительно пароноя. Ссылка на комментарий Поделиться на другие сайты Поделиться
Популярный пост VadimM Опубликовано 3 Февраля, 2017 в 21:22 Автор Популярный пост Жалоба Поделиться Опубликовано 3 Февраля, 2017 в 21:22 Фото готовой конструкции: 5 Ссылка на комментарий Поделиться на другие сайты Поделиться
Рекомендуемые сообщения
Для публикации сообщений создайте учётную запись или авторизуйтесь
Вы должны быть пользователем, чтобы оставить комментарий
Создать учетную запись
Зарегистрируйте новую учётную запись в нашем сообществе. Это очень просто!
Регистрация нового пользователяВойти
Уже есть аккаунт? Войти в систему.
Войти