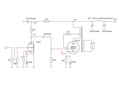
vasya1588 Опубликовано 11 Сентября, 2016 в 06:33 Жалоба Поделиться Опубликовано 11 Сентября, 2016 в 06:33 Какие резисторы поставить в катод и анод лампы 6н3п ?Так как силовой трансформатор на выходе выдает 340В вместо 300В . Только на схеме 6п14п пентодное включение у меня ультралинейное. Ссылка на комментарий Поделиться на другие сайты Поделиться
RedStar Опубликовано 11 Сентября, 2016 в 08:37 Жалоба Поделиться Опубликовано 11 Сентября, 2016 в 08:37 Можно так: Ссылка на комментарий Поделиться на другие сайты Поделиться
vasya1588 Опубликовано 11 Сентября, 2016 в 08:58 Автор Жалоба Поделиться Опубликовано 11 Сентября, 2016 в 08:58 Так не очень хочется, ведь уже все спаяно только на выходе напряжение смущало 340В вместо 300В. А псевдо триод мне не понравилось слушал лучше всего ультралинейное включение по звучанию лично для меня и мои динамикам. Ссылка на комментарий Поделиться на другие сайты Поделиться
RedStar Опубликовано 11 Сентября, 2016 в 09:02 Жалоба Поделиться Опубликовано 11 Сентября, 2016 в 09:02 ... псевдо триод мне не понравилось ... Так на схеме Ультралинейный. ... Так не очень хочется ... А как надо? Ссылка на комментарий Поделиться на другие сайты Поделиться
vasya1588 Опубликовано 11 Сентября, 2016 в 10:43 Автор Жалоба Поделиться Опубликовано 11 Сентября, 2016 в 10:43 Да не заметил да решил заменить силовой есть у знакомого с лампового телевизора тсш 170 он должен подойти к этой схеме Ссылка на комментарий Поделиться на другие сайты Поделиться
RedStar Опубликовано 11 Сентября, 2016 в 11:27 Жалоба Поделиться Опубликовано 11 Сентября, 2016 в 11:27 Для этой схемы силового хватит от 70 ватт. Ссылка на комментарий Поделиться на другие сайты Поделиться
vasya1588 Опубликовано 11 Сентября, 2016 в 12:56 Автор Жалоба Поделиться Опубликовано 11 Сентября, 2016 в 12:56 у меня 4 лампы а не 3. Пусть будет с запасом . Ссылка на комментарий Поделиться на другие сайты Поделиться
Рекомендуемые сообщения
Для публикации сообщений создайте учётную запись или авторизуйтесь
Вы должны быть пользователем, чтобы оставить комментарий
Создать учетную запись
Зарегистрируйте новую учётную запись в нашем сообществе. Это очень просто!
Регистрация нового пользователяВойти
Уже есть аккаунт? Войти в систему.
Войти