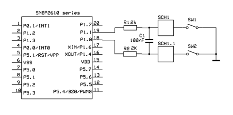
Гость gtxpert Опубликовано 19 Августа, 2016 в 09:31 Жалоба Поделиться Опубликовано 19 Августа, 2016 в 09:31 всем привет! посетила меня блаж переделать безпроводную программируемую мышку A4-G7 в ПДУ. с кнопками плэй/пауза, рег громкости и т.д. у самой мыши всего 3 кнопки +1 ролик, но на ее плате на декодере SN8P2610 "series" обнаружились пустующие ноги. подпаялся к ножкам, выполняют все нужные мне функции. с кнопками все понятно, но поскольку я хочу сделать ПДУ с 9-ю кнопками , хочу отказаться от ролика, и заменить его на 2 кнопки. впрочем, энкодер на 2 кнопки я заменил успешно. вот по такой схеме, всё работает , скролит вверх или вниз: но, есть одно но, сейчас собрано без SCH1 и SCH1.1 и работает так : одно нажатие кнопки - сдвиг ползунка на 1 позицию. а хотелось бы чтобы при зажатии кнопки ползунок полз вниз или вверх. 3 дня ломал голову, надо как то прикрутить к схеме мультивибратор с транзисторным ключом или что то типа того, но опыта нету совсем, так что ни чего дельного я не нашел. если я все верно понимаю, нужно впихнуть схемы на место SCH1 и SCH1.1, может быть даже с доп. питанием схемы, но не более 3.7 вольта (в ПДУ будет аккумулятор на 3.7 в) и еще проблема, хотелось бы чтобы схема получилась, как можно более компактной и миниатюрной. ПОДСКАЖИТЕ ответ в этой головоломке! Ссылка на комментарий Поделиться на другие сайты Поделиться
Discover Опубликовано 19 Августа, 2016 в 09:52 Жалоба Поделиться Опубликовано 19 Августа, 2016 в 09:52 Схем мультивибраторов великое множество. Вот вариант. Павел, если скажешь что у тебя есть из логики в наличии - попробуем склепать из того что есть :smile: Что бы в лавку не бежать. Ссылка на комментарий Поделиться на другие сайты Поделиться
kurdl Опубликовано 19 Августа, 2016 в 13:17 Жалоба Поделиться Опубликовано 19 Августа, 2016 в 13:17 Эх, а мне так наоборот, на пультах колесика не хватает... 1 Ссылка на комментарий Поделиться на другие сайты Поделиться
Гость gtxpert Опубликовано 19 Августа, 2016 в 19:18 Жалоба Поделиться Опубликовано 19 Августа, 2016 в 19:18 (изменено) есть 155ЛР4 показалось, что подойдет. а если нет, где искать, есть разные разобранные приборы, старые и не очень телевизоры, БП компьютерные , и еще чего попало. ... Эх, а мне так наоборот, на пультах колесика не хватает.. ... это смотря чем управлять, даже представить трудно, где нужно колесико на пульте!? мне ПДУ необходим как простой, моментальный доступ к медиаплееру на андроиде, основное управление которым будет через "монитор с мышкой", по сети :smug: добавлено еще порылся, нашел К155ТМ2 но мне нравится 4093BT из предложенной схемы своей миниатюрностью , мне даже проще ее купить. хотя хотел вообще найти ее аналог с 2 логическими элементами в корпусе SO-8. нашлось только 40107BM, а в местной лавке только 40107BE в корпусе DIP-8, и я не уверен подойдет ли она под мои задачи. Изменено 19 Августа, 2016 в 20:25 пользователем gtxpert Ссылка на комментарий Поделиться на другие сайты Поделиться
Гость gtxpert Опубликовано 19 Августа, 2016 в 22:54 Жалоба Поделиться Опубликовано 19 Августа, 2016 в 22:54 (изменено) вот это пультик) но как подсказывает опыт, все равно, или навороченного пульта будет недостаточно с большим количеством ненужных функций, или слишком не удобно в нем копаться, поэтому основные кнопки - это безсмертная классика! кстати, я сначала хотел купить готовый пульт, чтобы взял его в руку - тут же нажал , например паузу, или сделал погромче, прячась под одеялом :biggrin: основные критерии были: USB радио-приемник (работающий под андроидом или ПК) и минимальное количество кнопок, основных кнопок, для управления аудио плеером. нашлись лишь дорогие пульты с "тысячей кнопок" или пульты с небольшим набором "андороид" кнопок типа "air mouse" сделал попытку собрать все в одну схему, так что ли получается, что то совсем я не уверен!? на примере микросхемы CD4093 питание 2.4-3 в - питание схемы мыши. а еще , верно ли я понимаю, что можно настроить частоту резистором R5/R3. думаю вещь будет очень необходимая, чтобы комфортно отрегулировать скорость нарастания громкости Изменено 19 Августа, 2016 в 22:57 пользователем gtxpert Ссылка на комментарий Поделиться на другие сайты Поделиться
Datagor Опубликовано 20 Августа, 2016 в 09:28 Жалоба Поделиться Опубликовано 20 Августа, 2016 в 09:28 Павел, на вашей схеме не понимаю смысла в С1 между R1 и R2. Кстати, у вас ТРИ штуки С1. У вас кнопки управления посажены на "0", а в схеме Ивана, обратите внимание, на "1". Да, частоту импульсов можно регулировать с помощью R5/R3 и соответственно конденсатора. Ссылка на комментарий Поделиться на другие сайты Поделиться
Гость gtxpert Опубликовано 20 Августа, 2016 в 09:43 Жалоба Поделиться Опубликовано 20 Августа, 2016 в 09:43 ... на вашей схеме не понимаю смысла в С1 между R1 и R2 ... всё просто, конденсатор эмитирует работу энкодера. в энкодере должны замкнуться контакты - сначала первый, потом второй (условно) - декодер поймет движение ролика в одну сторону. замыкание контактов в другой последовательности - сначала второй, потом первый - декодер понимает движение ролика в другую сторону. так вот конденсатор эмитирует замыкание второго контакта, вроде как фазоинвертор получается. самое странное, что эта идея пришла мне в голову сама, и все работает без глюков, в инете таких схем я не нашел, может плохо искал ... Кстати, у вас ТРИ штуки С1 ... да точно, это я ночью рисовал, ошибся. ... У вас кнопки управления посажены на "0", а в схеме Ивана, обратите внимание, на "1". ... да вот это и вводит меня в ступор Ссылка на комментарий Поделиться на другие сайты Поделиться
Datagor Опубликовано 20 Августа, 2016 в 12:52 Жалоба Поделиться Опубликовано 20 Августа, 2016 в 12:52 Иван до понедельника скорее всего будет недоступен (на даче). Ссылка на комментарий Поделиться на другие сайты Поделиться
Гость gtxpert Опубликовано 20 Августа, 2016 в 20:44 Жалоба Поделиться Опубликовано 20 Августа, 2016 в 20:44 переделал накосяченную схему. но так и не понимаю, куда вход, куда выход схемы цеплять, вообще есть ощущение, что она не подходит сюда. Ссылка на комментарий Поделиться на другие сайты Поделиться
Datagor Опубликовано 21 Августа, 2016 в 05:45 Жалоба Поделиться Опубликовано 21 Августа, 2016 в 05:45 ... вообще есть ощущение, что она не подходит сюда ...Ощущение? Я же вам чётко написал об этом выше :biggrin: Потерпите до понедельника. Ссылка на комментарий Поделиться на другие сайты Поделиться
Discover Опубликовано 22 Августа, 2016 в 05:33 Жалоба Поделиться Опубликовано 22 Августа, 2016 в 05:33 (изменено) Вот и понедельник, вот и я :smile: переделал накосяченную схему. но так и не понимаю, куда вход, куда выход схемы цеплять, вообще есть ощущение, что она не подходит сюда. Не то что бы совсем не подходит. Требовалась простая схема мультивибратора, я предложил вариант. Из обсуждения я понял что эти входа как были так и остались входами для подключения энкодера. И мне думается, что правильней подавать на них сигнал как с энкодера. Новое предложение: сделать на микроконтроллере. Павел, для твой цели достаточно будет Attiny13. Напишем программу, которая за один "клик" будет выдавать одну правильную для энкодера последовательность импульсов. При удержании кнопки, пачка будет посылаться непрерывно. Ну возможно что-то еще придумать - это же микроконтроллер! Лишь бы памяти и ног хватило :smile: Главный вопрос: Павел ты можешь запрограммировать МК? Есть программатор? Если тебе этот вариант нравится, то я готов помочь с программой Изменено 22 Августа, 2016 в 05:52 пользователем discover Ссылка на комментарий Поделиться на другие сайты Поделиться
Гость gtxpert Опубликовано 22 Августа, 2016 в 07:43 Жалоба Поделиться Опубликовано 22 Августа, 2016 в 07:43 микроконтроллер, как то жирно уж слишком жирно :smile: хотя интересно, на худой конец почему бы и не попробовать. программатора нету, но наверное сделать еще и программатор не будет проблемой. ... Не то что бы совсем не подходит. ... но? но впринципе мультивибратор вкорячить в схему можно или нет? хотелось бы все же пойти самым простым путем. (если этот путь и правда проще) ... блокировкой нажатия двух кнопок одновременно ... всмысле, это защита от нажатия двух кнопок одновременно? Ссылка на комментарий Поделиться на другие сайты Поделиться
Рекомендуемые сообщения
Для публикации сообщений создайте учётную запись или авторизуйтесь
Вы должны быть пользователем, чтобы оставить комментарий
Создать учетную запись
Зарегистрируйте новую учётную запись в нашем сообществе. Это очень просто!
Регистрация нового пользователяВойти
Уже есть аккаунт? Войти в систему.
Войти