cbafrunze Опубликовано 16 Июля, 2016 в 08:33 Жалоба Поделиться Опубликовано 16 Июля, 2016 в 08:33 (изменено) Позвонил друг, попросил найти аналог на V205GU (телевизор LG), я попытался найти даташит на него, безрезультатно (кроме фото и кучи "мусора", ничего нет). Похоже, что-то из этой "оперы" (DMV1500, FFPF60B150DS) Из схем LG, скорее всего этот узел. Какая именно модель телевизора, друг не определил (да это и не важно) Сам пока, "глубже не копал" (придется ехать). Но, V205GU, заинтреговал.... Изменено 16 Июля, 2016 в 09:22 пользователем cbafrunze Ссылка на комментарий Поделиться на другие сайты Поделиться
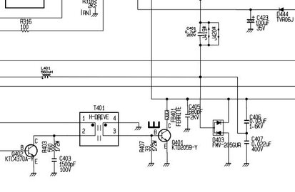
Lexter Опубликовано 16 Июля, 2016 в 10:57 Жалоба Поделиться Опубликовано 16 Июля, 2016 в 10:57 Возможно, что это высоковольтный мощный диод. В сервис-мануале на LG Color TV 29FX6ALX: https://www.google.ru/url?sa=t&rct=j&q=&esrc=s&source=web&cd=3&ved=0ahUKEwi_humR4_fNAhWBNJoKHXm3ALAQFggpMAI&url=http%3A%2F%2Fpdfstream.manualsonline.com%2F6%2F69abfd63-3118-4601-b733-a901d364bc22.pdf&usg=AFQjCNEOTamocnvgOlMUD6akOsxQdrAPQg&bvm=bv.127178174,d.bGs&cad=rjt в перечне элементов это диод D401, p/n 0DRSA00211A, FMV-205GUR 1.7KV 1.7V 50UA 50A 600NS на схеме он в правом нижнем углу, обозначен с ошибкой как второй D403 1 Ссылка на комментарий Поделиться на другие сайты Поделиться
FOLKSDOICH Опубликовано 16 Июля, 2016 в 14:54 Жалоба Поделиться Опубликовано 16 Июля, 2016 в 14:54 У меня пара завалялась из чего-то выдранных. Не похожи? FMP-3FUE.rar Ссылка на комментарий Поделиться на другие сайты Поделиться
cbafrunze Опубликовано 16 Июля, 2016 в 19:32 Автор Жалоба Поделиться Опубликовано 16 Июля, 2016 в 19:32 (изменено) ... Возможно, что это высоковольтный мощный диод. В сервис-мануале на LG Color TV 29FX6ALX ....... в перечне элементов это диод FMV-205GUR 1.7KV 1.7V 50UA 50A 600NS ... Николай, спасибо! Да, он родной, и схематическое решение, как "под копирку", и RP29CC26, и 29FX6ALX ... Валер, я так понял, вопрос о V205GU, "чисто риторический"......новая "супер" разработка, ...китайский клон ...поэтому и даташита нет... Да, Юра. Просто, всегда в таких случаях интересно, вроде в природе существует..... но как засекречено. ... У меня пара завалялась из чего-то выдранных. Не похожи? ... Валера, что удивительно, "супер" разработки, сегодня одни, завтра другие, стоит только догадываться. Изменено 16 Июля, 2016 в 19:40 пользователем cbafrunze Ссылка на комментарий Поделиться на другие сайты Поделиться
Рекомендуемые сообщения
Для публикации сообщений создайте учётную запись или авторизуйтесь
Вы должны быть пользователем, чтобы оставить комментарий
Создать учетную запись
Зарегистрируйте новую учётную запись в нашем сообществе. Это очень просто!
Регистрация нового пользователяВойти
Уже есть аккаунт? Войти в систему.
Войти