Гость Janus Опубликовано 24 Мая, 2016 в 22:34 Жалоба Поделиться Опубликовано 24 Мая, 2016 в 22:34 Здравствуйте! Помогите рассчитать первичную обмотку для трансформатора на железе EI84 c с толщиной набора 5 см. Или может есть обмоточные данные на тр анодное 310-320 вольт накал на кенотрон 5 В 3 А и 6,3 В 3 А для унч на однотактный на двух 6L6GC и трех 6н2п-ЕВ Ссылка на комментарий Поделиться на другие сайты Поделиться
vitivsev Опубликовано 25 Мая, 2016 в 05:38 Жалоба Поделиться Опубликовано 25 Мая, 2016 в 05:38 (изменено) Помогите рассчитать первичную обмотку для трансформатора на железе EI84 c с толщиной набора 5 см. Sc=28x50; 14 см кв. *0,9 = 12см кв. So=14x42; 5,88 см.кв; Pw - 90-100; D - I - 0,38-0,44 мм медь; I - 960витк. - 230В; n ~ 4,2витк. 1 Вольт; анодное +320В/1,41 ~ 230В; это условие работы ТС в холостом режиме. 230В*0,26А=59,8Вт; ток заложен по МАХ. опираясь на поставленное условие (накал), или +320В х0,184А; может вам надо меньше, значит провод для анодной обмотки тоньше; накал на кенотрон 5 В 3 А и 6,3 В 3 А - 34 Вт; 59,8+34=93,8Вт; еще по катушке 12х40, если провод D- 0,38 по лаку 0,42-0,44, получаем 90-95 витков слой, всего примерно 10-11 слоев -это 9,75 мм; 12 мм глубина катушки с учетом стенок в 1 мм. Затруднительно сказать как вы все это хозяйство туда засунете... Может кто нибудь еще что-то предложит... Изменено 25 Мая, 2016 в 05:50 пользователем vitivsev Ссылка на комментарий Поделиться на другие сайты Поделиться
aleks8845 Опубликовано 25 Мая, 2016 в 06:45 Жалоба Поделиться Опубликовано 25 Мая, 2016 в 06:45 Молодец, Виталий! Полная раскладка :cool: Я бы предложил ТН отдельный, но задание ТС только один силовой транс :music: Ссылка на комментарий Поделиться на другие сайты Поделиться
Гость igor1969 Опубликовано 25 Мая, 2016 в 09:17 Жалоба Поделиться Опубликовано 25 Мая, 2016 в 09:17 EI84 не хватит на все. У меня в EI96 поместилась только анодное. Брать надо отдельно ТН и ТА. Ссылка на комментарий Поделиться на другие сайты Поделиться
Гость Janus Опубликовано 25 Мая, 2016 в 09:56 Жалоба Поделиться Опубликовано 25 Мая, 2016 в 09:56 (изменено) Не подойдет , а если взять железо EI 96 с набором тоже 5 см но без питания кенотрона . Просто у меня в городе железо тр не продают в магазинах , заказываю железо, покупать готовый не хочется если делать ламповый унч хотелось бы тр намотать самому звуковые тр намотал вот только с силовым проблема Изменено 26 Мая, 2016 в 05:17 пользователем Janus Ещё немного такого безграмотного неоформленного текста, без запятых, точек и заглавных букв и вы получите бан по Правилам п.3.5 Ссылка на комментарий Поделиться на другие сайты Поделиться
vitivsev Опубликовано 25 Мая, 2016 в 10:53 Жалоба Поделиться Опубликовано 25 Мая, 2016 в 10:53 (изменено) Не подойдет...Антон, озвучьте целиком поставленную задачу?][/b]кенотрон ...унч на однотактный на двух 6L6GC и трех 6н2п-ЕВМожно подумать унч гитарный :music: , но вы упомянули выходные трансформаторы во множественном числе, получается стерео..звуковые тр намотал что будет или должно состояться в итоге? А то приходится гадать выгадывать :cool:p/s если +320В это должно было быть после кенотрона, тогда до него должно быть больше. схему унч в студию на разбор полетов! Изменено 25 Мая, 2016 в 11:07 пользователем vitivsev Ссылка на комментарий Поделиться на другие сайты Поделиться
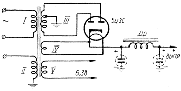
Гость Janus Опубликовано 25 Мая, 2016 в 19:05 Жалоба Поделиться Опубликовано 25 Мая, 2016 в 19:05 Добрый Вечер обычный однотактный ламповый усилитель стерео , у меня есть тр силовой но он не тянет кенотрон 5ц3с , на нем на вы выходе напряжение 310 вольт и две канальных обмотки по 6,3 вольта , поскольку хочется сделать новый силовой только не знаю обмоточные данные Ссылка на комментарий Поделиться на другие сайты Поделиться
Гость igor1969 Опубликовано 26 Мая, 2016 в 07:53 Жалоба Поделиться Опубликовано 26 Мая, 2016 в 07:53 Если уж так хочется с кенотроном, есть два варианта. 1. Две обмотки со средней точкой. 2. Одна обмотка и комбинированный выпрямитель. Ссылка на комментарий Поделиться на другие сайты Поделиться
vitivsev Опубликовано 26 Мая, 2016 в 08:36 Жалоба Поделиться Опубликовано 26 Мая, 2016 в 08:36 (изменено) 2. Одна обмотка и комбинированный выпрямитель.железо EI 96, So =16x48 в наборе Sc=32х50, около 120 Ватт; автор не предоставил схему, остается все в догадках...разговор о смещение не шел...что он хочет получить в итоге не очень понятно класс А триод или класс А пентод(какой из трех :music: ), не будет реальной схемы и толкового объяснения задачи тема может завязнуть...хоть бы намекнул какое приведенное на его намотанных ТВЗ.см. режимы и примеры включения кенотронов. Изменено 26 Мая, 2016 в 09:06 пользователем vitivsev Ссылка на комментарий Поделиться на другие сайты Поделиться
Гость Janus Опубликовано 26 Мая, 2016 в 09:38 Жалоба Поделиться Опубликовано 26 Мая, 2016 в 09:38 Схема ультра линейное включение , только вместо 400 вольт 310-320 вольт , трансформатор мотал из справочника на лампу 6п3с и делал отвод 40% первичной обмотки , железо EI75 использовал провод 0,22 для первичной и 0.27 для вторичной с секционированием обмоток , звучит отлично , силовой с общим выводом Ссылка на комментарий Поделиться на другие сайты Поделиться
Рекомендуемые сообщения
Для публикации сообщений создайте учётную запись или авторизуйтесь
Вы должны быть пользователем, чтобы оставить комментарий
Создать учетную запись
Зарегистрируйте новую учётную запись в нашем сообществе. Это очень просто!
Регистрация нового пользователяВойти
Уже есть аккаунт? Войти в систему.
Войти