Гость TanTall Опубликовано 15 Мая, 2016 в 09:27 Жалоба Поделиться Опубликовано 15 Мая, 2016 в 09:27 Придумал вот такую схему: Прошу неравнодушных дать свою оценку, а так же посоветовать наиболее подходящие транзисторы. Принцип работы: устройство должно выключать усилитель при отсутствии звукового сигнала в течении некоторого времени. Ссылка на комментарий Поделиться на другие сайты Поделиться
viper Опубликовано 15 Мая, 2016 в 11:23 Жалоба Поделиться Опубликовано 15 Мая, 2016 в 11:23 В нете схем полно. Посмотрите чужие схемы для примера. _https://nauchebe.net/2012/10/avtomaticheskoe-otklyuchenie-usilitelya-ot-seti/ _https://radiostorage.net/?area=news/1430 Ссылка на комментарий Поделиться на другие сайты Поделиться
Гость TanTall Опубликовано 15 Мая, 2016 в 11:38 Жалоба Поделиться Опубликовано 15 Мая, 2016 в 11:38 Спасибо всем за ответы! Как говорится: "гладко было на бумаге да забыли про овраги" - это я к тому, что в программе то схема работала. - В интернете схемы конечно смотрел, но все они были слишком громоздкие... Ссылка на комментарий Поделиться на другие сайты Поделиться
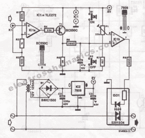
Datagor Опубликовано 15 Мая, 2016 в 16:58 Жалоба Поделиться Опубликовано 15 Мая, 2016 в 16:58 https://www.electroschematics.com/387/autodisconnection-for-audio-equipment/ В БП поставить обычный 7809 или 7812. Любой ОУ, способный работать при однополярном питании 9 - 15 Вольт и полевиками на входе. Вместо мощного оптосимистора можно применить реле и т.п., чем вы собирались выключать ваш усилок. Ну или таки обратиться к нашему супер-пупер-собранию мудростей (Датагор.ру) и пошарить там: :music: • Автоматическое включение/выключение сабвуфера на микроконтроллере PIC12F675 • Блок автоматического селектора входов и управления питанием усилителя на PIC12F675 Ссылка на комментарий Поделиться на другие сайты Поделиться
Рекомендуемые сообщения
Для публикации сообщений создайте учётную запись или авторизуйтесь
Вы должны быть пользователем, чтобы оставить комментарий
Создать учетную запись
Зарегистрируйте новую учётную запись в нашем сообществе. Это очень просто!
Регистрация нового пользователяВойти
Уже есть аккаунт? Войти в систему.
Войти