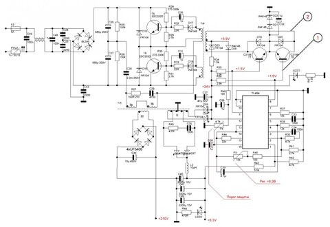
Гость pagan Опубликовано 28 Декабря, 2015 в 19:21 Жалоба Поделиться Опубликовано 28 Декабря, 2015 в 19:21 Доброго времени суток) Подскажите, не запускается ИБП если в схеме самопитания ШИМки два диода D24, D25. Когда оставляю один - Блок стартует. Напряжение на 12-й ноге 12 В. Ссылка на комментарий Поделиться на другие сайты Поделиться
Yamazaki Опубликовано 28 Декабря, 2015 в 21:10 Жалоба Поделиться Опубликовано 28 Декабря, 2015 в 21:10 Поставьте исправные диоды. Ссылка на комментарий Поделиться на другие сайты Поделиться
Гость pagan Опубликовано 29 Декабря, 2015 в 07:23 Жалоба Поделиться Опубликовано 29 Декабря, 2015 в 07:23 Не все так просто. Без разницы какой диод отпаиваю. Но стартует только с одним. Диоды ультрафасты, исправны. Ссылка на комментарий Поделиться на другие сайты Поделиться
Гость pagan Опубликовано 29 Декабря, 2015 в 08:13 Жалоба Поделиться Опубликовано 29 Декабря, 2015 в 08:13 Проблема решена. Нужно допаять резисторы на 1-1,5 кОм в базы ключей Т7-Т8. Они слишком быстро заходят в насыщение. а напряжение на 12-й ноге успевает дойти до минимума 7 В. Ссылка на комментарий Поделиться на другие сайты Поделиться
FOLKSDOICH Опубликовано 29 Декабря, 2015 в 09:25 Жалоба Поделиться Опубликовано 29 Декабря, 2015 в 09:25 В правильных схемах АТ эти резисторы присутствовали, потом некоторые производители стали экономить с переходом к АТХ с дежурным питанием. 1 Ссылка на комментарий Поделиться на другие сайты Поделиться
Рекомендуемые сообщения
Для публикации сообщений создайте учётную запись или авторизуйтесь
Вы должны быть пользователем, чтобы оставить комментарий
Создать учетную запись
Зарегистрируйте новую учётную запись в нашем сообществе. Это очень просто!
Регистрация нового пользователяВойти
Уже есть аккаунт? Войти в систему.
Войти