papasha Опубликовано 16 Ноября, 2015 в 04:59 Жалоба Поделиться Опубликовано 16 Ноября, 2015 в 04:59 Зравствуйте друзья. Подскажите пожалуйста, кто имел дело с микросхемой К561ИЕ15. Как правильно её подключить, есть-ли какие-то тонкости? Предыстория вопроса такова: Попала ко мне "Электроника Б1-01" в ужасном состоянии. Блок управления восстановлению не подлежал, решено было изготовить полностью с нуля. Прикинул схему, собрал на макетке, работает. Захотелось подать на подсветку диска кварцованые 50Гц. Линейку из нескольких делителей не хотелось городить, решил использовать 561ИЕ15. Есть кварц 100КГц. Старый ,большой. Нужно было разделить на 2000.Скачал описание, попытался запустить. Не получилось. Собрал несколько схем из Нета, не запускаются. Вот пара схем: Подскажите пожалуйста, может что-то не так делаю. Ссылка на комментарий Поделиться на другие сайты Поделиться
Datagor Опубликовано 16 Ноября, 2015 в 06:07 Жалоба Поделиться Опубликовано 16 Ноября, 2015 в 06:07 Павел, привет! На первый вгляд, в схемах всё в порядке, да и в цифре обычно не бывает "аналоговых выкрутасов": или 0 или 1. Беда, что это НЕ схема, по которой вы собирали. Так может у вас старый кварц неисправен? Он вообще заводится? Какая-то генерация есть? Вы бы именно вашу схему привели, как там сделана генераторная часть на кварце? Если генератор генерирует - пол дела сделано :wink: А так... схема 1 (которая слева), на элементах D1.1-D1.2 собран генератор, правда без кварца. Выход генератора подключаем к счетному входу 1 (С) ИЕ15. И всё, она считает. Задаётся коэф. деления и на ноге 23 получаем желаемое. 561ИЕ15 = CD4059A Тут по русски о работе чипа =https://www.rlocman.ru/comp/koz/cd/cdh26.htm Ссылка на комментарий Поделиться на другие сайты Поделиться
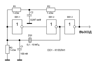
Datagor Опубликовано 16 Ноября, 2015 в 07:14 Жалоба Поделиться Опубликовано 16 Ноября, 2015 в 07:14 Для примера вообще: Частота колебаний генераторов на микросхемах при изменении напряжения питания и температуры окружающей среды изменяется довольно значительно. Если необходима высокая стабильность частоты, в генераторы вводят кварцевые резонаторы. Примером может служить генератор, собранный по схеме выше. Он генерирует импульсы в диапазоне частот 0,1—2 МГц (в зависимости от используемого резонатора В1). Что нам и нужно! При соответствующем кварце возможна генерация импульсов частотой от 1 до 10 МГц. В этом случае конденсатор С1 надо исключить, емкость конденсатора С2 должна быть 0,01 мкФ, а сопротивления резисторов по 470 Ом. Скважность генерируемых импульсов около 2. В таком устройстве резисторы R1 и R2 обеспечивают устойчивый режим генерации, а элемент D1.3 выполняет функцию буферного каскада. Конденсатор С2 осуществляет развязку по постоянному току. Конденсатор С1 предотвращает высокочастотные колебания на фронтах и спадах импульсов, обусловленные высшими гармониками. Или так: Или так на КМОПах: в частотозадающую цепь может быть подключен подстроечный конденсатор небольшой емкости, позволяющий слегка изменять частоту генерации. Стабильность же при этом будет все равно зависеть от стабильности кварцевого резонатора. =https://radiopolyus.ru/radiolicbez/39-radiokonstruktoru/133-generatory-na-czifrovyx-mikrosxemax.html =https://logic-bratsk.ru/radio/shem/oscil/oscil.htm =https://www.radio-portal.ru/layout/42-radio-equipment-to-help-the-designer/1529--ttl.html Ссылка на комментарий Поделиться на другие сайты Поделиться
papasha Опубликовано 16 Ноября, 2015 в 09:00 Автор Жалоба Поделиться Опубликовано 16 Ноября, 2015 в 09:00 Игорь,спасибо за оперативность, но генератор (по схеме "г" из твоего поста) выдаёт четкий прямоугольник, который подаётся на первую ножку ИЕ 15. А дальше глухо. Схемы я привел как вариант включения именно ИЕ 15. Описание работы из Бирюкова я читал. Вызывает вопрос по входу К2. В описании написано ,что на него подается импульс отрицательной полярности не менее трех периодов. А в схемах, которые я собирал, этот вход на земле. Где ошибка? в схемах, или в описании Бирюкова? Кстати, отрицательный импульс я тоже подавал. Глухо. Ссылка на комментарий Поделиться на другие сайты Поделиться
Datagor Опубликовано 16 Ноября, 2015 в 13:36 Жалоба Поделиться Опубликовано 16 Ноября, 2015 в 13:36 В даташите четко описано назначение этих пинов - 11,13,14 - программирование режима согласно таблице. Павел, к сожалению у меня нет в наличии такого чипа для проверки практикой. Стопудово дело только в верных установках делителя пинами CD4059 (при его исправности). Экспериментируйте! Ссылка на комментарий Поделиться на другие сайты Поделиться
papasha Опубликовано 16 Ноября, 2015 в 14:04 Автор Жалоба Поделиться Опубликовано 16 Ноября, 2015 в 14:04 Игорь,спасибо за таблицу, буду паять. 4059 у меня нет, только ие15, возможно что они с каким-то глюком. Обе из одной серии. Ссылка на комментарий Поделиться на другие сайты Поделиться
Datagor Опубликовано 16 Ноября, 2015 в 14:31 Жалоба Поделиться Опубликовано 16 Ноября, 2015 в 14:31 Вот делитель на 1000. Красная точка=1, синяя=0. RP1, RP2 - обозначены резисторные сборки типа таких: Может с 1000 попробовать начать, ну убедиться, что вообще работает, и понять, как? Если гуглём покапаешься во французском, то вот отличная статья: =https://www.sonelec-musique.com/electronique_bases_cd4059.html Ссылка на комментарий Поделиться на другие сайты Поделиться
papasha Опубликовано 16 Ноября, 2015 в 14:58 Автор Жалоба Поделиться Опубликовано 16 Ноября, 2015 в 14:58 Игорь, спасибо. То что нужно. Постараюсь в среду купить 4059. (Сдается мне что в микросхемах дело). Соберу сразу с переключателями. Надеюсь заработает. Ссылка на комментарий Поделиться на другие сайты Поделиться
YPL Опубликовано 17 Ноября, 2015 в 11:08 Жалоба Поделиться Опубликовано 17 Ноября, 2015 в 11:08 (изменено) Я делал на 564 ие15 делитель для кварцевой подсветки диска. Изменено 19 Ноября, 2015 в 13:45 пользователем ypl Ссылка на комментарий Поделиться на другие сайты Поделиться
Datagor Опубликовано 17 Ноября, 2015 в 11:49 Жалоба Поделиться Опубликовано 17 Ноября, 2015 в 11:49 Павел, тут важно правильно поделить кварц 100 кГц до 50 Гц, настроить деление в ИЕ15. Ссылка на комментарий Поделиться на другие сайты Поделиться
YPL Опубликовано 17 Ноября, 2015 в 14:23 Жалоба Поделиться Опубликовано 17 Ноября, 2015 в 14:23 Проблема была с ие15, что невозможно осциллографом увидеть импульсы с выхода, так как они очень тонкие. Выход я пропускаю еще через делитель частоты на 2, на RS триггере и тогда меандр хорошо виден. Схему я нашел, если надо выложу. Схема простая: генератор на инверторах с кварцем, ие15, RS триггер, инвертор, транзисторный ключ и светодиод. Ссылка на комментарий Поделиться на другие сайты Поделиться
Datagor Опубликовано 17 Ноября, 2015 в 15:33 Жалоба Поделиться Опубликовано 17 Ноября, 2015 в 15:33 Да выкладывайте конечно. Ссылка на комментарий Поделиться на другие сайты Поделиться
Рекомендуемые сообщения
Для публикации сообщений создайте учётную запись или авторизуйтесь
Вы должны быть пользователем, чтобы оставить комментарий
Создать учетную запись
Зарегистрируйте новую учётную запись в нашем сообществе. Это очень просто!
Регистрация нового пользователяВойти
Уже есть аккаунт? Войти в систему.
Войти