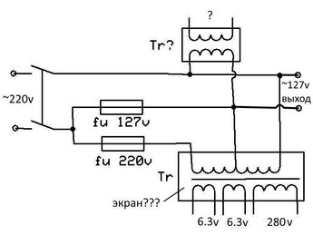
Гость gtxpert Опубликовано 12 Ноября, 2015 в 21:08 Жалоба Поделиться Опубликовано 12 Ноября, 2015 в 21:08 помогите разобраться с вытащенными трансформаторами, без каких либо опознавательных знаков, из какой то неизвестной ламповой разломанной (не мной :wink: ) радиолы ! частично я разобрался, прозвонил обмотки, нарисовал схему, и тестово подавал от сети 220в на разъем питания с предохранителем включенным в гнездо 220 вольт. - рабочее сетевое напряжение выбирается включением предохранителя в ту или иною панельку. - есть постоянный выход 127 вольт, через часть первичной обмотки большого трансформатора. - опознал вторичные обмотки. но осталось непонятным: 1. есть еще один вывод из большого трансформатора, он не звонится ни с кем. что это - экран и его следует включать на массу? 2. на Tr? всегда подается 127в - но на его двух других выводах висящих в воздухе в этот момент напряжение около 1 в. что это за трансформатор или дроссель? его обмотка на которой 127в - 10 ом, вторая 150 ом вот так это выглядит Ссылка на комментарий Поделиться на другие сайты Поделиться
vitivsev Опубликовано 13 Ноября, 2015 в 08:49 Жалоба Поделиться Опубликовано 13 Ноября, 2015 в 08:49 (изменено) помогите разобраться с вытащенными трансформаторами...Немного упростил Вашу схему, попробуйте еще раз измерить напряжение на обмотке малого трансформатора при вкл. всей схемы(см. рис.) в сеть ~220-230 Вольт. Такое включение двух трансформаторов позволяет работать на разные напряжения сети ~127 и ~220-230В.Только в том случае, если схема действительно "правильно" составлена - нарисована и детали соответствуют их назначению. ...неизвестной ламповой разломанной не мной может быть кто-то до Вас что то экспериментировали не туда припаял проводки.. если предполагать, что это дроссель и его включили не в ту цепь, по идее должен быть собран с некоторым зазором между Ш и I пластинами тонкая прокладка из электро картона...(на рис. не видно) Если по выходу ~1 Вольт, пока трудно что-то предположить...тем более 10 Ом для его первичной обмотки как-то маловато, измерение проводилось с отключенными обмотками? Что говорит толщина намоточного провода на нем? Провод, который не участвует в цепи, может ли быть выводом экрана? Может. Необходимо тщательно проверить откуда он идет, с какого именно места выходит, проследить, если после намотки первичной обмотки, это один вариант, если из другого места, то как-то другой... Изменено 13 Ноября, 2015 в 09:26 пользователем vitivsev Ссылка на комментарий Поделиться на другие сайты Поделиться
Гость gtxpert Опубликовано 13 Ноября, 2015 в 16:45 Жалоба Поделиться Опубликовано 13 Ноября, 2015 в 16:45 :wink: всё, я разобрался что к чему! оказывается это просто панелька над маленьким трансформатором (видимо это дроссель!), я сослепу не разобрал, что у него только 2 вывода одной обмотки, и 127 ни как не связанны с этим дросселем, .... вот блин, сидел ночью сонный экперементы проводил. тему наверное можно закрыть чтобы людей в заблуждение не вводить) Ссылка на комментарий Поделиться на другие сайты Поделиться
Datagor Опубликовано 14 Ноября, 2015 в 05:35 Жалоба Поделиться Опубликовано 14 Ноября, 2015 в 05:35 Павел, молоток, что разобрался! :wink: А в хозяйстве сгодится и дроссель и транс. Ссылка на комментарий Поделиться на другие сайты Поделиться
Рекомендуемые сообщения