Lakki Опубликовано 19 Сентября, 2015 в 11:36 Жалоба Поделиться Опубликовано 19 Сентября, 2015 в 11:36 Вопрос состоит в том что нужно питать микроконтроллер от сети 220v, да не просто питать да и этим же котроллером управлять нагрузкой. Ток нагрузки около 80-100 ма. Есть ли литература для прочтения? Примерная схема на картинке, но максимальный ток ограничен стабилитроном. А еще не понятен момент как питать схему, когда нагрузка в цепи будет максимальной. Ссылка на комментарий Поделиться на другие сайты Поделиться
Lexter Опубликовано 20 Сентября, 2015 в 13:42 Жалоба Поделиться Опубликовано 20 Сентября, 2015 в 13:42 ... Примерная схема на картинке, но максимальный ток ограничен стабилитроном. ... как питать схему, когда нагрузка в цепи будет максимальной. Дайте не "примерную", а именно вашу схему. На приведённой вами "примерной" с токами всё в порядке. Ссылка на комментарий Поделиться на другие сайты Поделиться
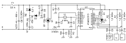
Yamazaki Опубликовано 20 Сентября, 2015 в 19:00 Жалоба Поделиться Опубликовано 20 Сентября, 2015 в 19:00 (изменено) Имхо, для микроконтроллера достаточно питания на балластном конденсаторе. Стабилитроны VD3 и VD4 – выполняют предварительное ограничение напряжения и должны быть повышенной мощности (1-3 ватта). А управлять нагрузкой удобно с помощью хитрого симисторного оптрона MOC3061или MOC3062 или MOC3063. У него есть детектор момента перехода через ноль, поэтому коммутация всегда мягкая. Управление гальванически развязано от силовой части. Изменено 20 Сентября, 2015 в 20:19 пользователем yamazaki Ссылка на комментарий Поделиться на другие сайты Поделиться
Lakki Опубликовано 20 Сентября, 2015 в 21:00 Автор Жалоба Поделиться Опубликовано 20 Сентября, 2015 в 21:00 (изменено) Так други, не все поняли вопроса. :smile: cxem.net/house/1-100.php------------- вот ссылка на оригинальную статью. trk-avto.ru/goods/livolo_touch---------- вот девайс, который мне нужно повторить. we.easyelectronics.ru/Shematech/preparirovanie-sensornogo-vyklyuchatelya-livolo.html-------------- вот еще одна схема, для ознакомления. То есть, мне нужно запитать контроллер который будет потреблять (снизим планку) 50-80 ма, по приведенной выше схеме. Особенно последняя схема поставила все под сомнение. Многие детали и схемные решения просто не понятны. И вот некий гаджет нужно смастерить))) Изменено 20 Сентября, 2015 в 21:02 пользователем lakki Ссылка на комментарий Поделиться на другие сайты Поделиться
Yamazaki Опубликовано 20 Сентября, 2015 в 22:15 Жалоба Поделиться Опубликовано 20 Сентября, 2015 в 22:15 Денис, вы крайне невнятно выражаетесь! Переформулируйте свою хотелку более точно. Насколько я понял, этот выключатель интересен тем, что может быть включен просто в разрыв провода (например, фазы), не требуя подключения ко второму проводу (соответственно, нулю). И вы хотите сделать именно так, чтобы не переделывать проводку, верно? Я думаю, работает все это следующим образом: 1) изначально симистор закрыт. 2) в розетке напряжение изменяется по синусоиде. От нуля оно нарастает вверх. Поскольку симистор изначально закрыт, какое напряжение в розетке, такое и будет приложено к схеме питания МК. 3) Когда напряжение в розетке достигает некой предельной величины, МК открывает симистор, ток теперь идет через него и конденсатор более не заряжается. 4) Управляя моментом открытия симистора, МК регулирует собственное напряжение питания. На первый взгляд, кажется, все так и работает. Потом ещё гляну более свежим взглядом, но вот пока мне это все не нравится. Решение интересное, но какое-то слишком уж хитровыдуманное. Чего только люди не придумают, чтобы не протянуть один лишний проводок в стене :smile: А если программу неправильно написать, микроконтроллер сам себя сожжет перенапряжением. Класс :smile: Ссылка на комментарий Поделиться на другие сайты Поделиться
Рекомендуемые сообщения
Для публикации сообщений создайте учётную запись или авторизуйтесь
Вы должны быть пользователем, чтобы оставить комментарий
Создать учетную запись
Зарегистрируйте новую учётную запись в нашем сообществе. Это очень просто!
Регистрация нового пользователяВойти
Уже есть аккаунт? Войти в систему.
Войти