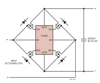
Yamazaki Опубликовано 12 Сентября, 2015 в 11:53 Жалоба Поделиться Опубликовано 12 Сентября, 2015 в 11:53 Есть микросхемы, о которых знают все. TDA****, LM317, TL494 и т.д., тысячи их. А есть микросхемы, которые незаслуженно обойдены нашим вниманием, хотя иногда они бывают крайне полезны. Предлагаю сюда постить информацию о микросхемах с редким, экзотическим, неожиданным или просто интересным функционалом. Это даст множество идей для новых поделок, для творчества. Здесь - просто идея и информация, для кого-то - изделие и результат. Кстати, это не обязательно должны быть микросхемы. Может быть, какой-то хитрый транзистор, необычная сборка. Главное, чтобы деталь была достойна внимания. Делаем в таком формате: Название Описание Картинка Начну: LT4320 контроллер "идеального" низкочастотного синхронного мостового выпрямителя. Решение очень простого синхронного выпримителя с минимальным количеством деталей. Только 4 транзистора, сама микросхема и один конденсатор. При больших токах обычный диодный мост рассеивает некоторую мощность впустую, а такой имеет ничтожные потери и практически не греется. Напряжение от 9 до 72 вольт, максимальный ток зависит от выбранных транзисторов. Частота, в зависимости от версии микросхемы - до 60 или до 600 герц. Ссылка на комментарий Поделиться на другие сайты Поделиться
Yamazaki Опубликовано 12 Сентября, 2015 в 14:46 Автор Жалоба Поделиться Опубликовано 12 Сентября, 2015 в 14:46 DM134B, DM135B от Silicon touch technology inc. 16-разрядный сдвиговый регистр с драйверами светодиодов на каждом из 16 выходов. Позволяет легко расширить количество выходов у любого микроконтроллера, прежде всего для организации статической индикации. Таких чипов можно последовательно друг за другом навешивать десятки, что позволяет делать бегущие строки, светодиодные информационные табло. upd: MBI5027 от Macroblock имеет такой же функционал Если нет возможности приобрести специализированные микросхемы, можно обойтись более распространенными: 74HC164 - просто 8битный сдвиговый регистр 74HC595 - то же самое, но с защелкой Конечно, выход у них слабоват, это же просто логика, но можно дополнить их сборками ULN2003/2004 (для 7 сегментов) или ULN2803/2804 (для 8 сегментов). Если вас устраивает динамическая индикация, загляните сюда https://forum.datagor.ru/topic/10419-panoptikum-mikroshem/page__view__findpost__p__141373 Ссылка на комментарий Поделиться на другие сайты Поделиться
Yamazaki Опубликовано 12 Сентября, 2015 в 15:50 Автор Жалоба Поделиться Опубликовано 12 Сентября, 2015 в 15:50 AR1310 Высокоинтегрированный одночиповый ЧМ УКВ радиоприемник. Из обвеса - кварц на 32кГц, четыре кнопки, пара ферритовых бусин и пара конденсаторов. И всё. Не требует логики или микроконтроллеров для управления. Короче, проще некуда. При этом достойные показатели по качеству радиоприема. Хорошая альтернатива дешевым "скан-ресет" приемникам на TDA7088 и её клонах. Существуют готовые модули для встраивания в проекты. Следует упомянуть и другие высокоинтегрированные однокристальные приемники, например серию SI47** от Silabs, TEA5767, RDA5807* и др. Но они управляются извне через I2C/SPI микроконтроллером, что для многих неудобно или вообще недоступно в силу неумения программировать. Ссылка на комментарий Поделиться на другие сайты Поделиться
TANk Опубликовано 12 Сентября, 2015 в 19:28 Жалоба Поделиться Опубликовано 12 Сентября, 2015 в 19:28 Сергей, интересно :smile: Но наверное в этом разделе эта тема будет уместнее. Пошел искать LT4320, благо транзисторов мощных из бесперебойников скопилось много. Ссылка на комментарий Поделиться на другие сайты Поделиться
Yamazaki Опубликовано 13 Сентября, 2015 в 21:03 Автор Жалоба Поделиться Опубликовано 13 Сентября, 2015 в 21:03 Помините ветку форма, в которой обсуждалась организация включения и выключения устройств кнопкой без фиксации? Обсуждались варианты на обычных реле, на поляризованном реле, на T-триггере, способы подавления дребезга кнопки... В общем, в итоге все это выливалось в довольно сложное устройство с большой платой, кучей деталей и даже собственным питанием. Тем временем Linear Technology предложили свое решение проблемы, создав контроллер кнопки включения-выключения, а точнее целое семейство похожих по функционалу микрушек LTC295* Просто нажимаем кнопку, дальше микросхема все сделает сама. Там уже есть подавитель дребезга контактов, т-триггер, всякие свистелки-перделки. Например, монитор питания, который отключает потребитель при снижении напряжения ниже заданного (т.е. защищает батарею питания от переразряда). Малое допустимое напряжение питания и ток потребления порядка единиц микроампер позволяет использовать микросхемы в устройствах с батарейным питанием. UC2906/3906 от Unitrode Крутой зарядник для герметичных свинцовых батарей. Имеет на борту все необходимое: индикацию, управление, защиту. Такая в общем-то неприхотливая вещь, как свинцовая батарея может обойтись и более простой зарядкой, скажем, на L200 или двух LM317, но когда речь идёт об ответственных задачах, специализированное решение во всем превосходит сляпанные на коленке схемы. Ссылка на комментарий Поделиться на другие сайты Поделиться
reper Опубликовано 15 Сентября, 2015 в 18:01 Жалоба Поделиться Опубликовано 15 Сентября, 2015 в 18:01 TP4056 1A Standalone Linear Li-lon Battery Charger with Thermal Regulation in SOP-8. Недорогой зарядник для Li-lon батарей. Имеет управление зарядным током, контроль температуры заряжаемого устройства, индикацию (отсутствие/присутствие подключения заряжаемой батареи, окончания заряда). Обнаружил случайно. пользуюсь уже полгода. И ваще, тема кажется очень полезной, жаль, что она временами начинает "уползать".. 1 Ссылка на комментарий Поделиться на другие сайты Поделиться
Datagor Опубликовано 15 Сентября, 2015 в 19:07 Жалоба Поделиться Опубликовано 15 Сентября, 2015 в 19:07 ...жаль, что она временами начинает "уползать"... Наверху есть кнопочка "Следить за темой". Будут приходить уведомления. Ссылка на комментарий Поделиться на другие сайты Поделиться
alfaed Опубликовано 16 Сентября, 2015 в 07:01 Жалоба Поделиться Опубликовано 16 Сентября, 2015 в 07:01 ST1S10 Стабилизатор напряжения импульсный Step-Down 3.0A, Uвх=2.5...18В Uвых.=0.8 - 16В Fраб=0,9МГц. КПД>90%. Не требуется внешний диод, выпускается в корпусах DFN8 и PowerSO8. С помощью калькулятора можно расчитать под свои параметры. Печатка ST1S10PHR.rar ST1S10_calculator_open_office.zip 1 Ссылка на комментарий Поделиться на другие сайты Поделиться
Yamazaki Опубликовано 18 Сентября, 2015 в 18:33 Автор Жалоба Поделиться Опубликовано 18 Сентября, 2015 в 18:33 (изменено) TSSP77P38 от Vishay Инфракрасный датчик приближания. Дальность до 2м. Полностью интегррированное решение. Светодиод и фотоприемник находятся прямо на корпусе микросхемы. Есть фильтрация от посторонней засветки. На выходе - импульсы переменной длительности, которая меняется пропорционально расстоянию до ближайшего отражающего объекта. В некоторых источниках его называют дальномером, но это все-таки не измерительный инструмент. Дальность определяется по силе отраженного света, очень прилизительно. ISL29021 от Intersil Инфракрасный цифровой датчик приближания. В отличие от предыдущего девайса, тут данные об измеренной дальности записываются в регистры, которые можно считать через шину I2C. Фотоприемник на корпусе, а вот светодиод цепляется внешний, так что можно выбрать вариант помощнее. Изменено 18 Сентября, 2015 в 19:08 пользователем yamazaki Ссылка на комментарий Поделиться на другие сайты Поделиться
reper Опубликовано 22 Сентября, 2015 в 18:14 Жалоба Поделиться Опубликовано 22 Сентября, 2015 в 18:14 (изменено) Считаю, здесь место еще и этому: https://datagor.ru/pr...dul-egs002.html Изменено 22 Сентября, 2015 в 18:37 пользователем Datagor ВЛАДИМИР, СОБЛЮДАЙТЕ ЗАЯВЛЕННЫЙ В ШАПКЕ ФОРМАТ ИЛИ ПОСТ БУДЕТ УДАЛЁН. Ссылка на комментарий Поделиться на другие сайты Поделиться
Yamazaki Опубликовано 22 Сентября, 2015 в 20:18 Автор Жалоба Поделиться Опубликовано 22 Сентября, 2015 в 20:18 (изменено) Владимир, имхо, тут это лишнее. У нас нет задачи просто дублировать главную страницу портала. Статья УЖЕ там представлена на всеобщее обозрение. Если она вам понравилась, её можно лайкнуть. Добавлено после раздумий: Думаю, тут нет смысла коротко упоминать микросхемы или решения, которые требуют весьма высокой квалификации для применения. Скажем, если тут мимоходом рассказать о микросхеме типа FSFA2100 или FAN7621, только единицам это пригодится. А остальные просто сожгут гору транзисторов и навсегда разочаруются в ИБП. В такой ситуации нужна именно статья, как можно более подробная и обстоятельная, в которой разберется любой. Вот тогда это будет полезно для всех. Кстати, AlexD, спасибо за отличные статьи! XR2206 - Многофункциональный генератор сигналов Генерирует синус, треугольник, меандр, пилу. Минимум внешних компонентов. Частота задается одним резистором и одним конденсатором. Соответственно, очень легко сделать подстроку частоты и перестройку диапазона регулировки. Возможна модуляция по частоте и амплитуде внешним сигналом. Даташит на XR2206. xr-2206.pdf Изменено 23 Сентября, 2015 в 08:57 пользователем Datagor Ссылка на комментарий Поделиться на другие сайты Поделиться
Datagor Опубликовано 23 Сентября, 2015 в 03:30 Жалоба Поделиться Опубликовано 23 Сентября, 2015 в 03:30 Серег, давай-ка подумаем: логично будет добавлять к описаниям даташиты, где возможно/доступно! Где нету - пишем: "требуется даташит". Так будет удобно и полезно согражданам. Да и для себя формируешь "сундук с сокровищами", который всегда под рукой. Ссылка на комментарий Поделиться на другие сайты Поделиться
Рекомендуемые сообщения
Для публикации сообщений создайте учётную запись или авторизуйтесь
Вы должны быть пользователем, чтобы оставить комментарий
Создать учетную запись
Зарегистрируйте новую учётную запись в нашем сообществе. Это очень просто!
Регистрация нового пользователяВойти
Уже есть аккаунт? Войти в систему.
Войти