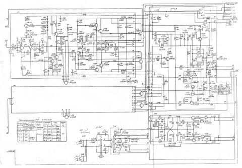
Гость квн Опубликовано 24 Мая, 2015 в 18:03 Жалоба Поделиться Опубликовано 24 Мая, 2015 в 18:03 (изменено) Доброго времени суток! Ув. Датагорцы подскажите пожалуйста по активному фильтру (плата А10 ), который используется в Амфитоне 35у-101с для питания дифкаскада УМа. По схеме дифкаскад питается большим напряжением, чем ВК на 3 В. У меня вот какой вопрос: если это стабилизатор, то почему напряжение на выходе тоже проседает, как и на ВК? Ну да, они запитаны от одного транса и даже от одной обмотки.... но ведь это стаб и он должен стабилизировать напругу? Или я шото недопонимаю? :smile: И ещё, если есть такая возможность, прогнать эту схемку в симуляторе на случай выяснения на сколько эффективно он давит пульсации.... или на вскидку проанализировать опытным глазом. Может есть варианты вживить схему более эффективную или эту доработать. Ещё по поводу транзисторов: туда надо обязательно подбирать тр-ры с близкими коэф. усиления по плечам и как можно большим? Я где-то в инете читал, что этот активный фильтр не совсем "адекватный" в плане подавления пульсаций, а для дифкаскада это важно, на сколько я понимаю. Буду очень признателен! Изменено 24 Мая, 2015 в 18:24 пользователем квн Ссылка на комментарий Поделиться на другие сайты Поделиться
sstvov Опубликовано 24 Мая, 2015 в 19:01 Жалоба Поделиться Опубликовано 24 Мая, 2015 в 19:01 (изменено) Это не стабилизатор, это сглаживающий фильтр +защита от перегрузки по току этого фильтра. Изменено 24 Мая, 2015 в 19:24 пользователем sstvov Ссылка на комментарий Поделиться на другие сайты Поделиться
sstvov Опубликовано 24 Мая, 2015 в 19:22 Жалоба Поделиться Опубликовано 24 Мая, 2015 в 19:22 (изменено) Транзисторы в этом фильтре подбирать не нужно. Можно увеличить ёмкости конденсаторов. Изменено 24 Мая, 2015 в 19:31 пользователем sstvov Ссылка на комментарий Поделиться на другие сайты Поделиться
Гость квн Опубликовано 26 Мая, 2015 в 20:48 Жалоба Поделиться Опубликовано 26 Мая, 2015 в 20:48 (изменено) Транзисторы в этом фильтре подбирать не нужно. Можно увеличить ёмкости конденсаторов. Понятно. Тогда вопрос, на сколько можно увеличить ёмкость и на всех ли электролитах, чтоб он давил пульсации на должном уровне? Или может вместо него вживить простой фильтр, как в БП? , Изменено 26 Мая, 2015 в 20:52 пользователем квн Ссылка на комментарий Поделиться на другие сайты Поделиться
Lexter Опубликовано 27 Мая, 2015 в 02:33 Жалоба Поделиться Опубликовано 27 Мая, 2015 в 02:33 ... на сколько можно увеличить ёмкость и на всех ли электролитах... Я бы не трогал этот узел. А вот ёмкость конденсаторов C10 и C12 на A5 увеличил бы на пару порядков. Ссылка на комментарий Поделиться на другие сайты Поделиться
Гость квн Опубликовано 27 Мая, 2015 в 22:24 Жалоба Поделиться Опубликовано 27 Мая, 2015 в 22:24 Я бы не трогал этот узел. А вот ёмкость конденсаторов C10 и C12 на A5 увеличил бы на пару порядков. А5 - это плата УМ. С10 и С12 там по 0,1 мкФ плёнка. Вы предлагаете вместо них впаять плёнку на пару порядков больше? Т.е. по 10 мкФ, если я правильно понял.... Что нам это даст? Я это спрашиваю потому, что хочу действительно знать - ЧТО? Ведь 10 мкФ плёнки имеют таки габариты.... Мне казалось, с пульсацией борется именно узел активного фильтра на плате А10.... Как вы уже поняли, что опыта у меня маловато в этом интересном деле, но очень хочется разобраться, вот и задаю вопросы, на первый взгляд простые.... Ссылка на комментарий Поделиться на другие сайты Поделиться
Lexter Опубликовано 28 Мая, 2015 в 06:54 Жалоба Поделиться Опубликовано 28 Мая, 2015 в 06:54 ... Что нам это даст?..."Фильтр" в А10 имеет очень большое выходное сопротивление (R7 и R8), а питание в A5 шунтируется только одной ёмкостью 0,1 мкФ, что катастрофически мало. Может, где-то есть ещё ёмкости по этим цепям питания, но я не нашёл.Надеюсь, не надо объяснять, для чего надо шунтировать цепи питания ёмкостями? Кстати, вы вот всё про пульсации беспокоитесь... Вы их чем смотрите? Сколько намеряли? Что для вас "должный уровень"? И насчёт "10 мкФ плёнки имеют таки габариты" ... Существуют электролитические конденсаторы. Уверен, в такой конструкции не составит труда найти место для пары штучек малогабаритных 200 мкФ х 50В. Ссылка на комментарий Поделиться на другие сайты Поделиться
Гость квн Опубликовано 29 Мая, 2015 в 20:46 Жалоба Поделиться Опубликовано 29 Мая, 2015 в 20:46 "Фильтр" в А10 имеет очень большое выходное сопротивление (R7 и R8), а питание в A5 шунтируется только одной ёмкостью 0,1 мкФ, что катастрофически мало. Может, где-то есть ещё ёмкости по этим цепям питания, но я не нашёл.Надеюсь, не надо объяснять, для чего надо шунтировать цепи питания ёмкостями? Здравствуйте Николай! Пульсации я не мерил, просто нечем.... Я выше писал, что где-то на форуме читал про этот узел нелестный отзыв и совет вообще его заменить на простой БП.... Про то, что цепи питания надо шунтировать ёмкостями, признаться, не читал :smile: . Я ж говорю, что опыта у меня маловато, вот и собираю инфу про это увлекательное дело.... дайте пожалуйста ссылочку про эту тему, ума набраться чтоб.... Про то, что большие ёмкости в БП надо шунтировать более мелкими ёмкостями и резистором, читал.... и на счёт того, что от электролитов в схеме надо избавляться, тоже читал, правда в проходных цепях.... Да, и на счет очень большого выходного сопротивления (R7 и R8), 10 Ом - это много? Ссылка на комментарий Поделиться на другие сайты Поделиться
Lexter Опубликовано 29 Мая, 2015 в 22:54 Жалоба Поделиться Опубликовано 29 Мая, 2015 в 22:54 (изменено) ... собираю инфу про это увлекательное дело.... дайте пожалуйста ссылочку... Рекомендую начать с этого: "Титце, Шенк. Полупроводниковая схемотехника". атем изучить это: "Хоровиц, Хилл. Искусство схемотехники". Если хотите заниматься электроникой даже на любительском уровне, это должны быть две ваши настольные книги. Чтобы ответить на ваши вопросы, уж очень издалека придётся начинать рассказывать, а в этих книгах всё это давным-давно подробно расписано. Изменено 2 Июня, 2015 в 06:26 пользователем Datagor Удалены ссылки на пиратские ресурсы. Обменивайтесь в привате, дрУги! Ссылка на комментарий Поделиться на другие сайты Поделиться
Рекомендуемые сообщения
Для публикации сообщений создайте учётную запись или авторизуйтесь
Вы должны быть пользователем, чтобы оставить комментарий
Создать учетную запись
Зарегистрируйте новую учётную запись в нашем сообществе. Это очень просто!
Регистрация нового пользователяВойти
Уже есть аккаунт? Войти в систему.
Войти