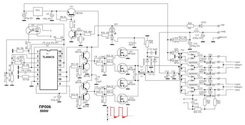
Гость scandsv Опубликовано 25 Марта, 2015 в 20:07 Жалоба Поделиться Опубликовано 25 Марта, 2015 в 20:07 Добрый день дорогие Датагорцы. Подскажите, кто разбирается в схемотехнике. Есть схема импульсного преобразователя она во вложении. запускаем.... конденсатор С16 - отгорает плюсовая ножка..... подскажите в чет может быть причина? Ссылка на комментарий Поделиться на другие сайты Поделиться
Lexter Опубликовано 25 Марта, 2015 в 20:36 Жалоба Поделиться Опубликовано 25 Марта, 2015 в 20:36 ... запускаем.... конденсатор С16 - отгорает плюсовая ножка.....подскажите в чет может быть причина? Вот всегда темнят... Что, так в школе теперь учат? Вы, наверное, хотели сказать: "Запускаем подачей уровня на вход "Упр", при этом отгорает плюсовой вывод С16, генератор продолжает нормально работать, выдавая честные 500 ВТ. Все остальные элементы целы." Примените конденсатор другого типа. Low ESR, с характеристиками, нормированными до 1 МГц, с максимальным напряжением не менее 20 В. А лучше 3 - 4 в параллель. Ссылка на комментарий Поделиться на другие сайты Поделиться
Гость scandsv Опубликовано 26 Марта, 2015 в 03:59 Жалоба Поделиться Опубликовано 26 Марта, 2015 в 03:59 Вот всегда темнят... Что, так в школе теперь учат? Вы, наверное, хотели сказать: "Запускаем подачей уровня на вход "Упр", при этом отгорает плюсовой вывод С16, генератор продолжает нормально работать, выдавая честные 500 ВТ. Все остальные элементы целы." Примените конденсатор другого типа. Low ESR, с характеристиками, нормированными до 1 МГц, с максимальным напряжением не менее 20 В. А лучше 3 - 4 в параллель. Спасибо. примерно это я и хотел сказать. Только честные 500 Вт генератор выдавать перестает при 10 Ом нагрузки напряжение на выходе падает до 38 вольт (нагружено одно питание) с конденсаторами попробую - спасибо за совет. Ссылка на комментарий Поделиться на другие сайты Поделиться
Рекомендуемые сообщения
Для публикации сообщений создайте учётную запись или авторизуйтесь
Вы должны быть пользователем, чтобы оставить комментарий
Создать учетную запись
Зарегистрируйте новую учётную запись в нашем сообществе. Это очень просто!
Регистрация нового пользователяВойти
Уже есть аккаунт? Войти в систему.
Войти