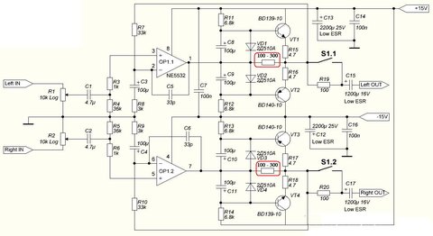
Espumizan Опубликовано 8 Марта, 2015 в 17:14 Жалоба Поделиться Опубликовано 8 Марта, 2015 в 17:14 Собрал усилитель для наушников по представленной схеме. Один недостаток: на малой громкости появляется ВЧ призвук, выражается в искажениях при тихом звучании инструментов. Ничем не устраняется, звук в обоих каналах, ОУ менял. В чём может заключаться проблема? При подключении C5 и C6 - помеха усиливается. Благодарю заранее за конструктивные советы! Ссылка на комментарий Поделиться на другие сайты Поделиться
Chugunov Опубликовано 8 Марта, 2015 в 17:40 Жалоба Поделиться Опубликовано 8 Марта, 2015 в 17:40 Искажения на малой громкости - симптом малого тока покоя выходных транзисторов или они закрыты. Какой ток покоя выходных транзисторов? (напряжение на R15-18) Ссылка на комментарий Поделиться на другие сайты Поделиться
Espumizan Опубликовано 8 Марта, 2015 в 18:37 Автор Жалоба Поделиться Опубликовано 8 Марта, 2015 в 18:37 (изменено) Померять напряжение смогу только завтра. Спасибо. Сегодня все же измерил R15 2 mv, R18 1,7 mv. Изменено 8 Марта, 2015 в 18:59 пользователем Espumizan Ссылка на комментарий Поделиться на другие сайты Поделиться
Гость avals Опубликовано 8 Марта, 2015 в 19:01 Жалоба Поделиться Опубликовано 8 Марта, 2015 в 19:01 Искажения на малой громкости - симптом малого тока покоя выходных транзисторов или они закрыты. Ток покоя здесь совершенно не причём. При такой глубине ООС даже присоединение баз выходных транзисторов напрямую к выходу ОУ не приведёт к заметным на слух искажениям. Это из практики. Хорошим "противоступенчатым" средством для таких схем является включение резистора 100 - 300 Ом между выходом ОУ и выходом усилителя. Впрочем, словесное описание дефекта обычно мало информативно. Режимы по постоянному току, а лучше, осциллограмма искажений, только помогут делу выявления проблемы. Ссылка на комментарий Поделиться на другие сайты Поделиться
Chugunov Опубликовано 8 Марта, 2015 в 19:39 Жалоба Поделиться Опубликовано 8 Марта, 2015 в 19:39 Сегодня все же измерил R15 2 mv, R18 1,7 mv. Считаем на пальцах 1 мА х 1 Ом = 1 мВ. при 4,7 Ом для 1 мА будет 4,7 мВ, а у вас в 2...3 раза меньше т. е. через выходные транзисторы ток практически не идёт (микроамперы). Транзисторы закрыты и цепь обратной связи фактически разомкнута, что приводит к искажениям, особенно на малой громкости. Установка резистора, как написал выше avals приводит к восстановлению цепи обратной связи и, может быть, это устранит проблемы. Кроме того, благодаря этому резистору, при малых сигналах, ток в нагрузку будет выдавать ОУ. Это может быть решит все проблемы. Но. Получается, что выходной каскад будет работать в классе В, а это нехорошо, особенно для наушникового усилителя. Кроме установки указанного резистора, я бы всё-таки посоветовал увеличить ток через выходные транзисторы, перевести их в класс АВ. Ток, наверное, нужен 10...20 мА. Значит падение напряжения на резисторах R15-18 должно быть по 50...100 мВ. А потом можно будет сравнить звук с доп. резистором и без него. Ссылка на комментарий Поделиться на другие сайты Поделиться
Espumizan Опубликовано 8 Марта, 2015 в 19:43 Автор Жалоба Поделиться Опубликовано 8 Марта, 2015 в 19:43 Как увеличить ток через транзисторы? Ссылка на комментарий Поделиться на другие сайты Поделиться
Гость avals Опубликовано 8 Марта, 2015 в 20:17 Жалоба Поделиться Опубликовано 8 Марта, 2015 в 20:17 Транзисторы закрыты и цепь обратной связи фактически разомкнута, что приводит к искажениям, особенно на малой громкости. Цепь ООС может быть разомкнута только на время переключения транзисторов. Выходные транзисторы уже предварительно смещены диодами, стало быть ОУ надо "преодолеть" небольшую "ступеньку", чтобы открыть транзисторы. Даже в худшем случае - базы транзисторов прямо на выходе ОУ, последнему надо "проскочить" около 1.2 Вольта от закрытия одного и до открытия другого. При скорости 9 В/мкС это займет 0,133 мкс, что в 375 раз (!) меньше периода частоты 20 кГц. При наличии предварительного смещения влияние этого эффекта пренебрежимо мало. Поэтому отсутствие тока покоя не может быть причиной заметных на слух искажений при такой схемотехнике. Только осциллографом. Проверялось на практике. Установка дополнительного резистора вообще снимает этот вопрос. Для сомневающихся - картинка. Синий - выход ОУ, красный - усилителя. Хотя, повторюсь - проверено на практике. Так что, не в токе покоя собака порылась. Как увеличить ток через транзисторы? Поставить последовательно с диодами резисторы в 75 - 120 Ом. Номинал уточняется по току покоя. Осциллограмму искажений можете снять? Ссылка на комментарий Поделиться на другие сайты Поделиться
Chugunov Опубликовано 8 Марта, 2015 в 21:05 Жалоба Поделиться Опубликовано 8 Марта, 2015 в 21:05 Работа оконечных транзисторов в классе В является достаточной причиной для заметных на слух искажений, особенно без резистора, соединяющего выход ОУ с нагрузкой. Нарушение цепи обратной связи при малой громкости, даже неполное, тоже звук не красит... Вполне возможно, повышение тока покоя выходных транзисторов и перевод усилителя в "класс А для малых и средних уровней" (наиболее заметных и составляющих бОльшую часть сигнала) в целом благоприятно скажется на качестве. Возможно, при токе покоя 50...100 мА качество улучшится (а может и нет, надо слушать). Могут потребоваться маленькие теплоотводы. Ссылка на комментарий Поделиться на другие сайты Поделиться
Гость avals Опубликовано 8 Марта, 2015 в 21:38 Жалоба Поделиться Опубликовано 8 Марта, 2015 в 21:38 Работа оконечных транзисторов в классе В является достаточной причиной для заметных на слух искажений, особенно без резистора, соединяющего выход ОУ с нагрузкой. Чисто теоретически, Вы правы. Но! Могу собрать схемку на брэдборде и выложить реальные измерения, дабы развеять некоторые мифы. Правда, речь не об этом. "Лечить" схему по словесному описанию дефекта, проявляющегося "на слух", дело малоперспективное. Вылезти может что угодно - от самовозбуждения до топологии ПП или разводки земли. Хотя схема явно попадает под определение - "Собранная из исправных деталей, без ошибок в монтаже, в настройке не нуждается". Осциллограмма дефекта реально поможет диагностике. Лучше, сами понимаете, один раз увидеть. Ссылка на комментарий Поделиться на другие сайты Поделиться
Datagor Опубликовано 9 Марта, 2015 в 05:33 Жалоба Поделиться Опубликовано 9 Марта, 2015 в 05:33 Собрал усилитель для наушников по представленной схеме... Когда создаёте ветку помощи по статьте с портала, обязательно давайте ссылку на эту статью. Скопируйте ссылку в свой новый пост или пришлите мне в личку, я добавлю в шапку темы. Спасибо! Ссылка на комментарий Поделиться на другие сайты Поделиться
Espumizan Опубликовано 9 Марта, 2015 в 07:37 Автор Жалоба Поделиться Опубликовано 9 Марта, 2015 в 07:37 Сергей, Вячеслав, спасибо Вам за советы. Осталось претворить всё это в жизнь. Осциллограмму попробую снять сегодня. Описание проблем из моего коммента к статье: Первое: на малой громкости присутствуют искажения в виде ВЧ призвука (как эхо), особенно это слышно при тихом звучании любых инструментов. Второе: при полной громкости синусоида режется снизу (на любой частоте и в обоих каналах одновременно), при величине входного сигнала более 550 мв. Кстати нигде не нашёл на какое входное напряжение рассчитан усилитель. Может что-то изложил сумбурно, но мне теоретически трудно выразить свою мысль. Изменения, которые я лично внёс-это заменил резисторы R8, R9 на 5.6 ком. В качестве источника звука использую плеер Fiio X5 (Flac формат). Ссылка на комментарий Поделиться на другие сайты Поделиться
Espumizan Опубликовано 9 Марта, 2015 в 11:15 Автор Жалоба Поделиться Опубликовано 9 Марта, 2015 в 11:15 Огромное всем спасибо! Вячеслав, особенно Вам за совет про резисторы! Установка резистора на 120 Ом полностью решила проблему. Искажения пропали совсем, усилитель заработал как надо. Ссылка на комментарий Поделиться на другие сайты Поделиться
Рекомендуемые сообщения
Для публикации сообщений создайте учётную запись или авторизуйтесь
Вы должны быть пользователем, чтобы оставить комментарий
Создать учетную запись
Зарегистрируйте новую учётную запись в нашем сообществе. Это очень просто!
Регистрация нового пользователяВойти
Уже есть аккаунт? Войти в систему.
Войти