Перейти к содержанию

uaruar

Камрад
  • Постов

    15
  • Зарегистрирован

  • Посещение

Весь контент uaruar

  1. Добрый день. Решил поднять тему, кто собрал ZEN 9? Интересует комплектация, ПП и т. д.
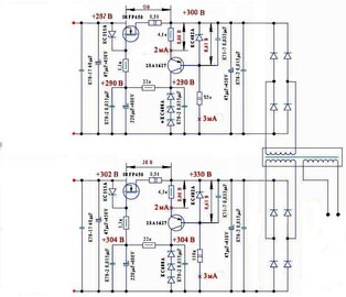
  2. Дополнительно выкладываю схему стабилизаторов анодного напряжения, драйверного и оконечного каскада – для одного канала УМ.
  3. Александр, добрый день. С Тобой, согласен, «не в коня овес» - но желание заказчика…, да и самому интересно узнать максимальные «звуковые способности» 6Ф3П (сам ее ранее не слышал). АС заказчика «Sven», но уже в процессе изготовления АС ОЯ с использованием динамических головок от ТВ 5гдш-1. Касаемо ТВЗ 1-9 и др. отказались незамедлительно. По ТВЗ, вопрос самый «больной», и сложности в большей степени возникли по имеющемуся в наличии проводу и типу железа. В целом электрический и конструктивный расчет трансформатора проводился многократно. ИМХО – даже для этой лампы, раскрытия ее потенциала необходимо железо минимум с сечением 10 см 2 (учитывалась в большей степени нижняя частота при заданной допустимой индукции Bmn = 5000, КПД). Выбор остановил на железе от трансформатора ОСМ – 0,16 (если есть, необходимость могу предоставить полный расчет ТВЗ). По смещению в триодной части - применение светодиода в катоде возможно оправдано и не сложно реализовать, подпитка - резистор с анодного напряжения на диод (с учетом необходимого тока), надо подумать... С уважением.
  4. Ув. Александр. Данную схему УМ если не ошибаюсь, реализовал С. Сергеев. В принципе она достаточно проста, но авто.смещение в выходном каскаде оказывает заметное влияние на звучание УМ – по НЧ. Что касается БП, то конструктивно он получится небольшим – один трансформатор для анодного напряжения, диодные выпрямители, стабилизаторы анодного питания драйвера, оконечного каскада будут выполнены на транзисторах и платах с печатным монтажом, габариты не «великие». Кроме того, один трансформатор накального напряжения, к нему два диодных моста и стабилизатора напряжения накала на LM 317. ИМХО - стабилизированое питание, и принцип L-W УМ по звуку достаточно "хорош". Схему, БП УМ выложу в ближайшие дни для рецензии. С уважением.
  5. Добрый день. Новую тему открывать не стал, так как в данной рассматриваются различные варианты УМ на лампе 6Ф3П и 6Ф5П. Собственно вопрос следующий. Попросили сделать для ПК УМ с «ламповым и хорошим звучанием» а также условие - не больших габаритов. Пришла мысль реализации на лампе 6Ф3П с непосредственной связью (схема прилагается). Ув. коллеги, что думаете по данной реализации (конечно принцип достаточности отсутствует). Предложения, замечания, критика.
  6. Для Ваших целей анодный трансформатор типа ТА 272 вполне сгодится. Для накала ламп ТН-55. Что, касается ТВЗ то советую на Аудиопортале прочитать статью А. Шалина "Выходные трансформаторы на все случаи...". С ув. Юрий.
  7. Выложите схему, или укажите режимы питания УМ, тогда проще будет ориентироваться, какой нужен будет силовик, а так сложно что-либо советовать. С ув. Юрий.
  8. smarold ОК, сегодня промеряю прямо в экране. Но там чуть более 1 квадрата. Желательно по более, хотя бы 2 квадрата - меньше количество витков первички будет, соответственно, провод ∅ больше - лучше для звука smarold Но я так и не понял с первыми сердечниками, не обманулся ли я? Выложите фото железа подумаем вместе.
  9. smarold Пермаллой только думаю померить, но тоже сомнения по части снятия экрана: в родных трансах с военной связной аппаратуры они ведь так и стояли, с этим алюминием. ИМХО - "экран" не принципиально, защищает пермаллой от мех. повреждений, главное чтобы Sсм2 сердечника соответствовала от 1.5 до 4 см2.
  10. smarold Спасибо, понял. Измерил железо (см. пост 6). Сложил две стопки, получилось К55х29х22. Намотал 200 в. ПЭЛШО 0,2, R на постоянке 8,6 ома. Подавал с маленького транса 4,5 V при токе 7 mA. В итоге насчитал 2 Гн. Что-то крутовато получается. Или я неправильно посчитал? Уж простите филолога... Сечение "стопки" около 3 см2, в принципе ИМХО если пермаллой очень хороший то при таком количестве витков, индуктивность 2 Гн может получиться в полне реальной.
  11. smarold Вопрос: в экране измерять или без оного? Два кольца вместе через прокладку или порознь? И кто может пояснить роль такого экранирования сердечника? Добрый день. 1. Кольца лучше извлечь. ИМХО - как таковым «экран» - является защитным кожухом т.к. пермаллой мягкий материал, любая деформация сказывается на его свойствах. 2. Для вх. тр. S см2 рекомендуют брать не менее 1,5 – 4. Кольца желательно сложить вместе через прокладку, можно через малярный скотч, после чего провести измерения.
  12. Если правильно понял, то получается следующим образом – в качестве примера: первичка - 2000 витков (пока не важно, какой ∅ провода и индуктивность); вторичка – 3000 витков. Мотаем, 2 – 1 – 2 (1500-2000-1500). «Каждая секция или целая обмотка - законченный круг» - можно подробней, особенно по вторичке. Где приобрести хороший пермоллой? PS С Алексеем общался месяц назад, насколько понял, он такой пермоллой использует и в качестве межкаскадных тр.
  13. Лучший вариант - на торах без подмагничивания, материал - пермоллой, или, что гораздо лучше -аморфное железо. Лучшие трансы - торы. рассеяние у них, даже без глубокого секционирования, на обычной,50-герцовой стали 3408 - в 40 раз!!! ниже, чем у Ш/ШЛ-сердечников из лучшей немецкой стали.
  14. Да, тема интересная но желающих не много.Обсудить всю технологию изготовления входного трансформатора, можно по следующей схеме, наглядней будет гораздо лучше.
  15. Добрый день! Последнее время на радиолюбительских форумах по ламповой аудио технике усилители низкой частоты в большинстве своем строят на трансформаторных связях – входные, межкаскадные, выходные, последние два вида рассматриваются подробно – расчеты, изготовление и т.д. По входным трансформаторам информация скудная. В частности вопрос по изготовлению входного повышающего трансформатора (альтернатива переменному сопротивлению), начиная с расчета электрического, конструктивного, какое железо и т.д. Думаю, данная тема будет интересна многим радиолюбителям. Уважаемые форумчане поделитесь опытом.
×
×
  • Создать...